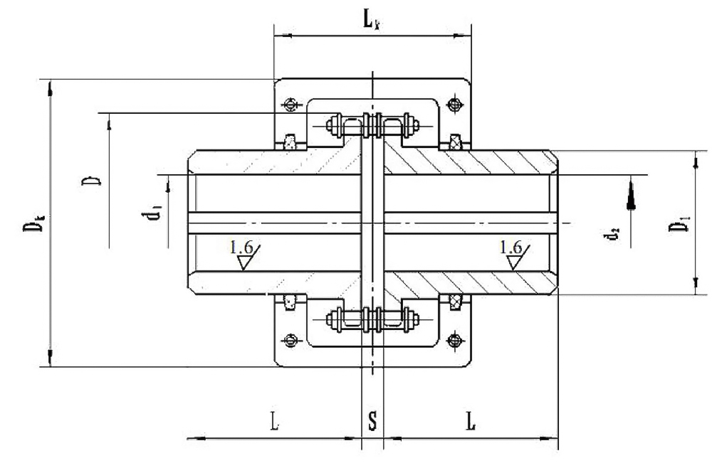
Rollenkettenkupplung vom Typ KC (Q/YL 17032X-2018)

Home / Produkte / Flexible Kupplungen mit nicht elastischen Elementen / Rollenkettenkupplung vom Typ KC (Q/YL 17032X-2018)
Rollenkettenkupplung vom Typ KC (Q/YL 17032X-2018)

Rollenkettenkupplung vom Typ KC (Q/YL 17032X-2018)

Einleitung: Die KC-Rollenkettenkupplung ist ein vielseitiges und zuverlässiges mechanisches Kupplungssystem, das das Drehmoment zwischen zwei Wellen überträgt und gleichzeitig Fehlausrichtungen und Torsionsvibrationen ausgleicht. Es ist so konstruiert, dass es die anspruchsvollen Anforderungen verschiedener industrieller Anwendungen erfüllt und robuste Leistung, Haltbarkeit und einfache Wartung bietet.

Hauptmerkmale:

  • Rollenkettendesign: Die Kupplung verwendet eine Rollenkette als Kernelement und bietet hohe Drehmomentübertragungsfähigkeiten bei minimalem Spiel. Das Rollenkettendesign sorgt für eine reibungslose Kraftübertragung und geringeren Verschleiß und erhöht so die Langlebigkeit der Kupplung.
  • Flexibilität: KC-Rollenkettenkupplungen eignen sich hervorragend zum Ausgleich sowohl von Winkel- als auch von Parallelfehlstellungen zwischen den verbundenen Wellen. Diese Flexibilität ist bei Anwendungen von entscheidender Bedeutung, bei denen eine präzise Ausrichtung eine Herausforderung darstellt oder aufgrund der Betriebsbedingungen Änderungen unterliegen kann.
  • Torsionsvibrationsdämpfung: Dank ihrer inhärenten Flexibilität dämpft die KC-Kupplung Torsionsschwingungen wirksam, minimiert die Belastung verbundener Maschinenkomponenten und verlängert deren Betriebslebensdauer. Diese Funktion erhöht die Gesamtsystemzuverlässigkeit und reduziert den Wartungsaufwand.
  • Korrosionsbeständigkeit: KC-Rollenkettenkupplungen werden aus hochwertigen Materialien wie Edelstahl oder gehärtetem Stahl hergestellt und bieten eine hervorragende Korrosions- und Verschleißfestigkeit, wodurch eine zuverlässige Leistung auch in rauen Betriebsumgebungen gewährleistet wird.
  • Einfache Installation und Wartung: Das einfache und kompakte Design der Kupplung erleichtert einfache Installations- und Wartungsvorgänge und reduziert Ausfallzeiten und damit verbundene Kosten. Zu den routinemäßigen Wartungsaufgaben gehören typischerweise Schmierung und gelegentliche Anpassungen der Kettenspannung.
  • Große Auswahl an Größen und Konfigurationen: KC-Rollenkettenkupplungen sind in verschiedenen Größen und Konfigurationen erhältlich, um den unterschiedlichen Drehmoment- und Drehzahlanforderungen in unterschiedlichen Branchen und Anwendungen gerecht zu werden. Aufgrund ihrer Anpassungsfähigkeit eignen sie sich für den Einsatz in zahlreichen Industriezweigen, darunter Fertigung, Bergbau, Landwirtschaft und Stromerzeugung.

Anwendungen:

  • Fördersysteme
  • Industrielle Ventilatoren und Gebläse
  • Pumpen und Kompressoren
  • Verpackungsmaschinen
  • Ausrüstung zur Materialhandhabung
  • Landmaschinen
  • Bergbauausrüstung
  • Papier- und Zellstoffverarbeitung

Fazit: Die KC-Rollenkettenkupplung ist eine zuverlässige Lösung zur Drehmomentübertragung in anspruchsvollen Industrieumgebungen. Sein innovatives Design, gepaart mit robuster Konstruktion und überlegenen Leistungsmerkmalen, macht es zu einer bevorzugten Wahl für Ingenieure und Wartungsexperten, die effiziente und zuverlässige Kopplungslösungen für ihre Maschinen und Geräte suchen. Mit ihrer Fähigkeit, Fehlausrichtungen auszugleichen, Vibrationen zu dämpfen und rauen Betriebsbedingungen standzuhalten, spielt die KC-Rollenkettenkupplung weiterhin eine entscheidende Rolle bei der Optimierung der Leistung und Langlebigkeit von Industriesystemen weltweit.

  • Rollenkettenkupplung vom Typ KC (Q/YL 17032X-2018)
Produktparameter
Nachricht senden
Zhongye Heavy Industry Technology (Zhenjiang) Co., Ltd.
Zhongye Heavy Industry Technology (Zhenjiang) Co., Ltd.

Zhongye Heavy Industry Technology (Zhenjiang) Co., Ltd. hat ihren Sitz in der bekannten historischen Stadt Zhenjiang. Wir sind ein Unternehmen, das Forschung und Entwicklung, Fertigung und Vertrieb integriert. Unsere Produkte finden breite Anwendung in der Metallurgie, im Bergbau, in der Wasserwirtschaft, in der Hebetechnik, in der Papierindustrie, in Hafenanlagen sowie in weiteren Industriebereichen.

Zu unseren Hauptprodukten gehören Zahnkupplungen, elastische Hülsenhülsen-Stiftkupplungen, elastische Stiftsäulenkupplungen, Zahnkupplungen mit elastischen Stiften, Kardankupplungen, Reifenkupplungen, Klauenkupplungen, Sternkupplungen, Lamellenkupplungen, Trommelkupplungen, Gitterkupplungen, Oldham-Kupplungen, Flanschkupplungen, Schellenkupplungen, GL-Rollenkettenkupplungen sowie Sicherheitskupplungen. Darüber hinaus übernehmen wir die Entwicklung und Fertigung verschiedenster kundenspezifischer Sonderkupplungen.

Die neue Produktionsstätte umfasst eine Gesamtfläche von ca. 16.463,52 m², darunter eine Schwerwerkstatt mit 5.500 m², eine Präzisionswerkstatt mit 4.600 m², ein Büro- und Fitnessgebäude mit 2.000 m², eine Kantine mit 500 m² sowie ein Lager mit 1.000 m². Weitere 3.563 m² entfallen auf Straßen, Grünflächen und Parkplätze.

Mehr anzeigen
Nachrichten & Veranstaltungen
NACHRICHTEN-UPDATE
  • 2026.04.24
    Wie reduzieren Nottrennkupplungen Risiken und Kosten?
    Jeder Vorgang zum Transfer großer Flüssigkeiten birgt ein gewisses Risiko: Was passiert, wenn die Verbindung unerwartet unterbrochen wird? A Sicherheitstrennkupplung beantwortet diese Frage, bevor der Vorfall eintritt – durch die Schaffung einer bewussten, kontrollierten Fehlerstelle, die gleichzeitig Personal, Ausrüstung und Umwelt schützt. Definieren der Nottrennkupplung Eine Nottrennkupplung (SBC) – auch Notauslösekupplung (ERC) oder Nottrennkupplung (BAC) genannt – ist eine Sicherheitsvorrichtung, die in einer Schlauchleitung, einem Ladearm oder einem Flüssigkeitstransfersystem installiert ist. Es fungiert als identifizierte, vorgefertigte Trennstelle, die sich unter einer definierten Zug- oder Winkellast trennt und so die weitaus zerstörerischeren Folgen eines Schlauchbruchs, eines Abreißens des Verteilers oder eines unkontrollierten Produktverschüttens verhindert. Technische Definition: Eine Nottrennkupplung ist eine passive oder aktive Sicherheitskomponente in einer Produkttransferleitung, die sich bei einer vorgegebenen Bruchlast oder einem vorgegebenen relativen Trennabstand trennt. Jeder getrennte Abschnitt enthält ein selbstschließendes Absperrventil, das sich beim Trennen automatisch abschließt – wodurch die Möglichkeit einer Produktfreisetzung, eines Feuers, einer Explosion oder einer Umweltverschmutzung auf beiden Seiten der Unterbrechung ausgeschlossen wird. Standardbetriebsdruck bis 21 bar ; Betriebstemperaturbereich von −196 °C bis 275 °C je nach Variante. In praktischer technischer Hinsicht ist eine Nottrennkupplung das schwächste Glied in einem Transfersystem – aber ein bewusstes. Durch die Konstruktion der Sollbruchstelle stellt der Konstrukteur sicher, dass alle anderen Komponenten in der Leitung – Schlauch, Ladearm, Pumpenanschlüsse und strukturelle Stützen – vor katastrophalen Belastungen verschont bleiben. Die Kopplung absorbiert das Ereignis; Die Infrastruktur überlebt es. Arten von Nottrennkupplungen Nottrennkupplungen sind keine monolithische Produktkategorie. Es gibt Varianten für unterschiedliche Betriebsumgebungen, Flüssigkeitstypen und Aktivierungsanforderungen. Die drei Haupttypen sind Industrie-, Marine- und Kryo-Typen – jeweils mit Untervarianten für spezifische Anwendungen. Industrielle Nottrennkupplung Wird mit einem Ende an einem Verteiler, einer Rohrleitung oder einem Depot befestigt Löst in jedem Winkel von 0° bis 90° aus Geeignet für die Einfahrt in Tankwagen und die Beladung von Eisenbahnwaggons Kann extremen seitlichen Belastungen ohne vorzeitiges Lösen standhalten Bruchkraft unabhängig vom Leitungsdruck Deckt Erdöl, Chemikalien, Gase und Lebensmittel ab Abreißkupplung für die Schifffahrt In der Mitte des Schlauchs zwischen zwei flexiblen Schlauchsträngen installiert Löst nur bei geradem Inline-Zug aus, nicht bei Winkelkraft Konzipiert für Schiff-zu-Schiff- und Schiff-zu-Plattform-Transfers Schützt vor Schiffsdrift und Tankerausbrüchen Blütenblattventil- oder Flip-Flap-Designs für einen verschüttungsfreien Verschluss Erhältlich in Größen bis 12 Zoll Kryo-Abreißkupplung Entwickelt für LNG, LN₂, LPG und andere kryogene Flüssigkeiten Spezielle Tieftemperatur-Dichtungsmaterialien und FKM-Varianten Erhältlich in den Versionen Industrie (fest) oder Marine (Mittelschlauch). Aktivierung des Kabelauslösers oder des Brechstifts Geeignet zum Bunkern, Betanken und als Ladearm Betriebstemperatur bis −196 °C Eine weitere erweiterte Unterkategorie – die Power Emergency Release-Kupplung (PERC) – wird in LNG-Terminalanwendungen eingesetzt. Im Notfall füllt Stickstoffgas einen Hohlraum in der Kupplung und überwindet so sicher die Bruchbolzen. Das PERC-System bietet drei Aktivierungsmodi: Freigabe über ein ESD-Signal (Emergency Shutdown Device), manuelle Übersteuerung unabhängig vom elektrischen Signal oder automatische passive Freigabe, wenn die Systemstromversorgung vollständig ausfällt – und fungiert in diesem Szenario als standardmäßige Nottrennkupplung. So funktioniert eine Nottrennkupplung Trotz ihrer entscheidenden Sicherheitsfunktion funktionieren die meisten Nottrennkupplungen nach einfachen mechanischen Prinzipien. Das Verständnis der Abfolge von Ereignissen während einer Aktivierung ist für die korrekte Spezifikation, Installation und Reaktion nach dem Ereignis von entscheidender Bedeutung. Normaler Betrieb – Durchfluss durch beide Hälften Die Kupplung besteht aus zwei Hälften, in denen sich jeweils ein internes Absperrventil (Teller-, Flip-Flap- oder Blütenblatt-Design) befindet. Im Normalbetrieb werden beide Ventile offen gehalten und das Produkt fließt ungehindert durch die Baugruppe. Bruchbolzen oder Scherbolzen verbinden die beiden Hälften, abgestimmt auf die spezifische Bruchkraftanforderung der Anlage. Übermäßige Belastung – Schraubenscherung Wenn bei einem Wegzieh-, Wegfahr- oder Driftereignis eine Kraft ausgeübt wird, die die vorgesehene Bruchschwelle überschreitet, versagen die Scherbolzen. Bei Industriekupplungen kann dies bei jedem Winkel zwischen 0° und 90° auftreten. Schiffskupplungen sind so konstruiert, dass sie Winkelbelastungen standhalten – sie lösen sich nur unter direkter axialer Spannung und verhindern so eine Fehlauslösung durch Schiffsrollen oder Wellengang. Sofortiger Doppelventilverschluss Nach einer Notabschaltung trennt sich die Kupplung und beide Ventile schließen sofort. Dieser Doppelverschluss ist die entscheidende Sicherheitsfunktion: Er dichtet das Produkt auf beiden Seiten der Unterbrechung ab und verhindert so ein Verschütten, ein Brandrisiko und eine Freisetzung in die Umwelt, unabhängig davon, welche Partei sich bewegt – das Schiff, der Tankwagen oder die Schlauchleitung. Vor-Ort-Reset und Wiederinbetriebnahme Sobald der Vorfall behoben ist, kann die Kupplung vor Ort zurückgesetzt werden, normalerweise innerhalb von Minuten und ohne Spezialwerkzeuge. Ersatzscherbolzen werden montiert, interne Ventile werden manuell wieder geöffnet und die beiden Hälften werden wieder verbunden. Es sollten nur vom Hersteller zugelassene Schrauben verwendet werden, da Aftermarket-Befestigungselemente die kalibrierte Bruchkraft verändern und die Zertifizierung ungültig machen können. Abreißkupplung vs. Notlösekupplung Diese Begriffe werden häufig synonym verwendet, sie repräsentieren jedoch sinnvoll unterschiedliche Produktspezifikationen. Bei der Inbetriebnahme eines Sicherheitstransfersystems sind zwei wichtige Entscheidungen erforderlich: ob eine Abreißkupplung (BAC) oder eine Notlösekupplung (ERC) eingebaut werden soll und die Spezifikation des gewählten Systems. Passives Gerät Nottrennkupplung (BAC) Rein mechanische Aktivierung – keine Stromquelle erforderlich Löst automatisch aus, wenn die Bruchlast überschritten wird Kein Bedienereingriff erforderlich Geringere Kapitalkosten und einfachere Installation Kann nicht aus der Ferne ausgelöst oder vorsorglich ausgelöst werden Ideal für die Beladung von Straßentankwagen, Schiff-zu-Schiff-Verladungen und Industrieverteilern Zurücksetzen nur mit Ersatz-Scherbolzen Aktives / Hybridgerät Notentriegelungskupplung (ERC) Kann per ESD-Signal, HPU oder Kabel fernausgelöst werden Mehrere Aktivierungsmodi: automatisch, manuell und passiv ausfallsicher Integriert sich in ICSS- und FPSO-Steuerungssysteme Erweiterte Versionen unterstützen die Zustandsüberwachung in Echtzeit Auch zur kontrollierten, geplanten Schlauchtrennung einsetzbar Unverzichtbar für LNG-Bunkerung, FPSO und Hochrisikoterminals Erfordert eine regelmäßige Wartung des Hydrauliksystems Wichtig: Bei FPSO-Einsätzen ersetzt ein ERC nicht eine Nottrennkupplung auf See. Der MBC muss weiterhin als primärer Schutz gegen unmittelbare Ereignisse wie den Ausbruch eines Tankers installiert werden. Die ERC bietet eine zusätzliche Möglichkeit zur kontrollierten Freigabe, wenn Pumpen gestoppt wurden und eine geplante Abschaltung erforderlich ist. Aktivierungsmechanismen Die Methode, mit der eine Nottrennkupplung einen gefährlichen Zustand erkennt und darauf reagiert, variiert erheblich zwischen den Produktfamilien. Das Verständnis der verfügbaren Optionen beeinflusst die Auswahlentscheidung. Bruchstift / Scherbolzen Der gebräuchlichste und zuverlässigste Mechanismus. Drei oder mehr äußere Scherbolzen verbinden die beiden Kupplungshälften. Wenn die Axial- oder Winkelspannung die kombinierte Scherfestigkeit überschreitet, versagen die Schrauben gleichzeitig und lösen eine Trennung und ein Schließen des Ventils aus. Die Bruchkraft ist unabhängig vom Leitungsdruck und der Seitenkraft – eine entscheidende Leistungseigenschaft, die verhindert, dass Druckübergänge zu Fehlauslösungen führen. Kabelfreigabe Zwischen der Kupplung und einem festen Ankerpunkt wird ein Edelstahlseil befestigt. Wenn die Kupplung eine definierte Distanz überschreitet – weil der Schlauch sein Ende erreicht hat –, zieht das Kabel einen Auslösemechanismus und löst so eine kontrollierte Trennung aus, bevor die Bruchlastschwelle der Scherbolzen erreicht wird. Dies ermöglicht ein früheres und schonenderes Eingreifen bei Wegfahrunfällen. Hydraulik-/Pneumatikaggregat (HPU) Fortschrittliche ERCs werden durch hydraulischen oder pneumatischen Druck betätigt, der von einer speziellen HPU bereitgestellt wird. Ein einzelnes HPU-Bedienfeld kann mit mehreren ERCs über ein Terminal oder FPSO-Deck verbunden sein und diese gleichzeitig freigeben. Automatisierungssysteme ermöglichen die Fernauslösung der ERC-Trennung als Reaktion auf ESD-Signale, Gaserkennung, Feuersysteme oder manuelle Konsolenaktivierung. Branchenübergreifende Anwendungen Nottrennkupplungen werden überall dort eingesetzt, wo ein Schlauch oder ein Ladearm einer ungeplanten Spannung ausgesetzt sein könnte. Ihre Einführung erstreckt sich über Sektoren von der alltäglichen Verbraucherinfrastruktur bis hin zu kritischen Energie- und Chemieproduktionsanlagen. Kraftstoffabgabe im Einzelhandel Abreißkupplungen an Tankstellen-Vorplatzschläuchen verhindern, dass die Pumpe aus ihrem Gehäuse gerissen wird, wenn ein Fahrzeug mit noch angeschlossener Zapfpistole wegfährt. Das integrierte Tellerventil dichtet sofort ab und verhindert so das Verschütten von Kraftstoff und die Gefahr einer Entzündung. Tankwagen- und Schienenverladung Industrielle SBCs, die an Ladearmterminals angebracht sind, schützen die Depotinfrastruktur vor Unfällen durch Wegfahren. Mit der Mehrwinkelauslösung von 0° bis 90° werden sie unabhängig von der Richtung aktiviert, in die das Fahrzeug fährt. Offshore-Erdöltransfer Marine-Abreißkupplungen sind in flexible Schlauchstränge zwischen FPSOs und Shuttle-Tankern eingebettet. Sie schützen vor Behälterausbrüchen, extremen Druckstößen und unkontrolliertem Durchgehen von Schläuchen während der Rohöl- und Kondensatübertragung. Chemische und petrochemische Anlagen Das Anschließen und Trennen von flexiblen Schläuchen, die ätzende, giftige oder brennbare Chemikalien transportieren, birgt wiederholt die Gefahr von Verschüttungen. SBCs bieten eine zuverlässige Sicherheitsschicht für Prozess-zu-Tankwagen-Transfers, Reaktorzuführungen und Schlauchverbindungen zwischen Einheiten. LNG-Bunkerung und -Terminals Kryogene ERCs und PERCs sind an LNG-Schiff-zu-Schiff-Bunkerstationen und LNG-Terminals an Land vorgeschrieben. In den Best-Practice-Richtlinien der Branche ist festgelegt, dass eine Nottrennkupplung im Methanol- oder LNG-Transfersystem in jedem getrennten Abschnitt über ein selbstschließendes Absperrventil verfügen muss. Lebensmittel, Getränke und Pharma Sicherheitstrennkupplungen in Hygienequalität aus PTFE-ummanteltem oder elektropoliertem Edelstahl werden in der Lebensmittelverarbeitung und pharmazeutischen Produktion eingesetzt, wo die Anforderungen an die Produktreinheit ebenso anspruchsvoll sind wie die Sicherheitsanforderungen. „Eine Nottrennkupplung ist eine konstruierte Bruchstelle – sie dient dazu, sich zu trennen, wenn entweder eine Kraftbelastung ausgeübt wird oder wenn ein Schlauch sein Ende erreicht. Ihre Funktion besteht in erster Linie darin, den Schlauch und die Rohrleitungen vor dauerhafteren Schäden zu schützen.“ Übersicht über die technischen Parameter Die folgende Tabelle fasst den typischen technischen Rahmen für im Handel erhältliche Nottrennkupplungen in den wichtigsten Produktkategorien zusammen. Projektspezifische Werte müssen mit dem Hersteller oder einem akkreditierten Händler bestätigt werden. Parameter Industrieller SBC Marine-SBC Kryo-ERC Größenbereich 1″ – 6″ (DN25–DN150) 2″ – 12″ (DN50–DN300) 1″ – 8″ (DN25–DN200) Maximaler Betriebsdruck Bis 25 bar Bis 21 bar (anwendungsspezifisch) Anwendungsspezifisch Temperaturbereich −40 °C bis 150 °C −20 °C bis 100 °C −196 °C bis −40 °C Freigabewinkel 0° – 90° 0° (nur Inline) 0° – 90° oder inline Aktivierung Scherbolzen-/Kabelauslöser Scherbolzen/Blütenblattventil Kabel / hydraulische HPU / ESD Ventiltyp Teller, Kugel oder Scheibe Blütenblatt, Flip-Flap oder Poppet Flip-Flap / kryogener Teller Körpermaterialien Al, SS316, Kohlenstoffstahl SS316, Duplex, Ni-Legierung SS316L, Niedrigtemperaturlegierungen Dichtungsmaterialien NBR, EPDM, FKM, PTFE FKM, EPDM, PTFE Tieftemperatur-FKM, PTFE Zeit zurücksetzen Protokolle; keine Spezialwerkzeuge Minuten (Schraubenwechsel) Werkstattsanierung empfohlen Verbindungstypen NPT, BSP, ANSI-Flansch, DIN ANSI-Flansch, Victaulic, Schweißvorbereitung ANSI-Flansch, Schweißvorbereitung Auswahl der richtigen Nottrennkupplung Eine falsche Auswahl ist die Hauptursache sowohl für eine vorzeitige Aktivierung (Produkt- und Produktionsausfall) als auch für eine fehlgeschlagene Aktivierung (Geräteschaden, Verschütten oder Verletzungen). Die folgenden Kriterien müssen systematisch bewertet werden. Bewerbungsart: Industriell (Festpunkt, Mehrwinkel) oder Marine (Mittelschlauch, nur Inline). Eine falsche Angabe zwischen diesen beiden Kategorien ist der häufigste Auswahlfehler. Bruchkraft: Muss unterhalb der schwächsten Komponente im Transfersystem, aber oberhalb der maximalen dynamischen Belastung eingestellt werden, die unter normalen Betriebsbedingungen zu erwarten ist – einschließlich Wärmeausdehnung, Vibration, Schlauchsteifheit und Behälterbewegung. Flüssigkeitskompatibilität: Bestätigen Sie die Kompatibilität der Gehäuselegierung, des Dichtungselastomers und der Innenbeschichtungen mit dem Produkt, einschließlich Konzentration, Temperatur und vorhandener Sekundärphase (z. B. H₂S, Wasser). Aktivierungsmodus: Für den rein passiven Schutz reicht ein mechanischer BAC mit Scherbolzen aus. Für Anwendungen, die eine Fern- oder automatische Trennung erfordern, ist ein ERC mit HPU-Schnittstelle erforderlich. Betriebsdruck und Temperatur: Stellen Sie sicher, dass der Nennbetriebsdruck der Kupplung den MAWP des Systems übersteigt und dass der Temperaturbereich sowohl den Normalbetrieb als auch ungünstigste Abweichungen abdeckt. Regulatorische und Zertifizierungsanforderungen: Bestätigen Sie, ob für die Installation ATEX-Zoneneinteilung, PED, Gost oder branchenspezifische Zulassungen (Klassifizierungsgesellschaften für den Seeverkehr, FDA usw.) gelten. Einbaulage: Bestätigen Sie, ob die Installation horizontal, vertikal oder abgewinkelt ist, und stellen Sie sicher, dass die ausgewählte Kupplung für die Ausrichtung ausgelegt ist – einige Konstruktionen reagieren bei vertikaler Installation empfindlich auf durch die Schwerkraft verursachtes Ventilkriechen. Standards, Zertifizierungen und Compliance Nottrennkupplungen, die in regulierten Branchen eingesetzt werden, müssen einer oder mehreren internationalen Normen entsprechen. Der anwendbare Rahmen hängt von der Art des Fluids, dem Einsatzgebiet und der Branche ab. In Situationen, in denen Spannungen und Drehmomente an Schläuchen oder menschliches Versagen bei Be- und Entladevorgängen zu schweren Verletzungen, kostspieligen Produktverlusten und verheerenden Auswirkungen auf die Umwelt führen können, machen sich Sicherheitsabreißvorrichtungen mehr als bezahlt – und ihre Zertifizierung ist ein wesentlicher Bestandteil dieses Wertes. ISO 9001:2015 PED 97/23/EG ATEX-Richtlinie TÜV Apragaz GOST-R FMC TDT EN 1983 / EN 14432 OCIMF Für die Bunkerung von LNG und Methanol legen die von internationalen Gremien veröffentlichten Best-Practice-Richtlinien der Branche fest, dass eine Nottrennkupplung im Transfersystem in jedem getrennten Abschnitt über ein selbstschließendes Absperrventil verfügen muss. Vollständige Betriebsanweisungen, Test- und Inspektionspläne, erforderliche Aufzeichnungen und etwaige Einschränkungen aller Notentriegelungssysteme müssen in den Betriebshandbüchern der Anlage detailliert aufgeführt sein. 3.1- und 3.2-Materialzertifizierungen sind auf Anfrage von führenden Herstellern erhältlich. 3.1 Die Zertifizierung bestätigt, dass das Material getestet wurde und bis zur Charge rückverfolgbar ist. Die 3.2-Zertifizierung umfasst eine unabhängige Validierung durch Dritte und wird dort eingesetzt, wo für kritische Sicherheitsanwendungen ein Höchstmaß an Sicherheit erforderlich ist. Wartung, Inspektion und Lebenszyklusmanagement Nottrennkupplungen sind weitgehend passive Geräte, die nur minimale Routinewartung erfordern – sie sind jedoch nicht wartungsfrei. Ein strukturiertes Inspektionssystem ist Teil jedes glaubwürdigen Sicherheitsmanagementsystems für Flüssigkeitstransfervorgänge. Routineinspektion Brechende Schrauben und Dichtungen sollten jährlich überprüft und ausgetauscht werden, insbesondere wenn die Anwendung übermäßige Belastungen mit sich bringt oder die Kupplung aggressiven Flüssigkeiten, UV-Strahlung oder Temperaturschwankungen ausgesetzt ist. Bei marinen SBCs, die vor der Küste installiert werden, sollten die Einheiten im Allgemeinen alle drei bis fünf Jahre zur Erneuerung ausgebaut werden, normalerweise während eines Schlauchstrangwechsels. Post-Aktivierungsprotokoll Nach jeder Aktivierung – ob geplant oder versehentlich – müssen beide Hälften überprüft werden, bevor die Kupplung wieder in Betrieb genommen wird. Teller- oder Blütenblattventilsitze, O-Ring-Nuten, Passflächen und Innenbeschichtungen sollten alle auf Beschädigungen überprüft werden. Das Aktivierungsereignis muss im Sicherheitsmanagementprotokoll dokumentiert werden, einschließlich der Umstände, des Datums, des Flüssigkeitszustands und der Seriennummer der Kupplung. Bedienerschulung Durch vom Hersteller geleitete Schulungen für das Wartungspersonal wird sichergestellt, dass die Kupplungen sicher, zuverlässig und präzise auf ihre spezifizierte Bruchlast kalibriert bleiben und die korrekten Drehmomenteinstellungen auf die Ersatzscherbolzen angewendet werden. Ein dokumentierter, beweiskräftiger Kompetenznachweis – der zeigt, dass die Techniker im Werk geschult sind – stärkt die Einhaltung gesetzlicher Vorschriften und sichert die Leistung der Kupplung während ihrer gesamten Lebensdauer. Kritische Vorsicht: Installieren Sie nach der Aktivierung niemals Scherbolzen oder Befestigungselemente von Drittanbietern als Ersatz. Nicht-OEM-Schrauben sind selten für die gleichen Scherspezifikationen zertifiziert und können die effektive Bruchkraft verändern, wodurch die Kupplung entweder unsicher (vorzeitiges Lösen) oder nicht funktionsfähig (kein Lösen unter gefährlicher Belastung) wird. Beide Ergebnisse machen die Sicherheitsfunktion des Geräts ungültig. Umwelt- und Betriebswert Über ihre primäre Sicherheitsfunktion hinaus bieten Nottrennkupplungen einen messbaren betrieblichen und ökologischen Mehrwert. Da der SBC als Kupplung fungiert, die sich selbst opfert, verhindert er Schäden an Ladearmen, Verteilern, Schlauchleitungen und Pumpenanschlüssen – Anlagen, deren Reparatur oder Austausch weitaus teurer ist und deren Behebung möglicherweise längere Stillstandszeiten erfordert. Der Umweltaspekt ist ebenso überzeugend. Ein einziger unkontrollierter Austritt aus einem gerissenen Schlauch in einem Erdölterminal kann zu Bußgeldern, obligatorischen Sanierungskosten und einem Reputationsschaden führen, der die Kapitalkosten für die SBC-Installation eines gesamten Terminals bei weitem übersteigt. Die Kopplung amortisiert sich bereits beim ersten verhinderten Vorfall. Fortschrittliche ERC-Varianten mit Fernüberwachung liefern Echtzeit-Statusdaten zur Kupplungsintegrität und ermöglichen so eine vorausschauende Wartung und eine zustandsbasierte Inspektionsplanung. Dieser datengesteuerte Ansatz reduziert sowohl Betriebsausfallzeiten als auch das Risiko, dass ein Inspektionsintervall verpasst wird – besonders wertvoll bei Offshore- oder abgelegenen Anlagen, bei denen der Zugang eingeschränkt ist. Eine Nottrennkupplung ist eine der kostengünstigsten Investitionen in der Flüssigkeitsübertragungstechnik – nicht weil sie teuer oder komplex ist, sondern weil ihr Wert genau in dem Moment erkannt wird, in dem alles andere schief gelaufen ist. Durch die Bereitstellung eines kontrollierten, vorhersehbaren und versiegelten Trennpunkts verwandelt es einen potenziell katastrophalen Vorfall in eine behebbare Betriebsunterbrechung. Die richtige Auswahl erfordert ein klares Verständnis der Anwendungsumgebung: Industrie oder Schifffahrt, passiv oder aktiv, der spezifischen erforderlichen Bruchkraft, der Flüssigkeitsverträglichkeit und des für das Gebiet und die Branche geltenden Zertifizierungsrahmens. Durch die direkte Beauftragung eines Fachhändlers oder des Herstellers und das Bestehen auf werksgeschultem Wartungspersonal wird sichergestellt, dass die Kupplung ihre kritische Funktion genau dann erfüllt, wenn sie benötigt wird, und nach jedem Ereignis schnell und zuverlässig wieder den ordnungsgemäßen Betrieb aufnimmt.
  • 2026.03.27
    Was bedeutet Kupplung wirklich und wie wählt man die richtige Kupplung für Ihre Anwendung aus?
    Was ist was Kopplung: Definition und Bedeutung von Kopplungen Die Kernantwort auf die Frage „ Was für eine Kopplung „ist: Eine Kupplung ist eine mechanische Komponente, die dazu dient, zwei rotierende Wellen zu verbinden und Kraft zu übertragen, gleichzeitig Wellenfehlausrichtungen auszugleichen, Vibrationen zu absorbieren und mechanische Geräte vor Schäden bei Überlastung zu schützen. In industriellen Anwendungen werden Kupplungen häufig in verschiedenen Kraftübertragungssystemen wie Motoren, Pumpen und Lüftern eingesetzt. Ohne die entsprechende Kupplung können Übertragungssysteme instabil werden, was die Lebensdauer der Geräte verkürzt und möglicherweise zu Ausfällen führt. Daher ist das Verständnis des Funktionsprinzips und die richtige Auswahl der Kupplungen von entscheidender Bedeutung für die Verbesserung der Anlageneffizienz. Die Kernfunktion von Kupplungen: Nicht nur Verbindung, sondern Systemschutz Kupplungen dienen nicht nur der Verbindung zweier rotierender Wellen, sondern erfüllen auch mehrere wichtige Funktionen: Drehmomentübertragung: Sie übertragen die Kraft vom Antriebsende zum Abtriebsende. Beispielsweise muss ein 15-kW-Motor ein Drehmoment von mindestens 98 Nm stabil übertragen. Ausgleich von Fehlstellungen: Während der Geräteinstallation können geringfügige Fehlausrichtungen (z. B. 0,1 mm bis 0,5 mm) auftreten. Kupplungen gleichen diese Fehlausrichtungen effektiv aus und verhindern so Verschleiß oder Überlastung im Übertragungssystem. Vibrationsdämpfung und Dämpfung: Kupplungen können bis zu 60 % der Vibrationen absorbieren und so mechanische Stöße auf das System reduzieren. Überlastschutz: Einige Kupplungen können sich bei Überlastung automatisch trennen und so weitere Schäden an der Ausrüstung verhindern. Beispielsweise können in einem Pumpensystem durch den Einsatz einer geeigneten elastischen Kupplung Vibrationen auf 2,1 mm/s reduziert werden, wodurch die Stabilität der Anlage deutlich verbessert und ihre Lebensdauer verlängert wird. Gängige Kupplungstypen und ihre Anwendungen: So wählen Sie die richtige Kupplung aus Verschiedene Kupplungstypen eignen sich für unterschiedliche Betriebsbedingungen. Das Verständnis ihrer Eigenschaften hilft Ingenieuren, fundierte Entscheidungen bei der Auswahl von Kupplungen zu treffen. Nachfolgend sind einige gängige Kupplungstypen aufgeführt: Typ Maximale Kompensationsfähigkeit Typische Anwendung Eigenschaften Starre Kupplung Fast keine Entschädigung Hochpräzise Werkzeugmaschinen Hohe Übertragungseffizienz, geeignet für Geräte, die eine hohe Ausrichtungsgenauigkeit erfordern Elastische Kopplung Radial 0,2–0,5 mm Motorpumpensystem Gute Vibrationsdämpfung, geeignet für Umgebungen mit hohen Vibrationen Zahnradkupplung Winkel 1°~1,5° Hochleistungsausrüstung Starke Tragfähigkeit, geeignet für Übertragungssysteme mit hohem Drehmoment Scheibenkupplung Hochpräzise Mikrokompensation Servosysteme Kein Spiel, geeignet für Anwendungen mit hoher Geschwindigkeit und hoher Präzision Universalgelenkkupplung Winkel bis 15° oder mehr Komplexe Antriebssysteme Anpassbar an große Winkelfehlausrichtungen, geeignet für dynamische Winkelsysteme Beispielsweise im Schwermaschinenbau sind Zahnkupplungen aufgrund ihrer hohen Belastbarkeit die bevorzugte Wahl. In präzisionsgesteuerten Anwendungen wie CNC-Geräten sind Scheibenkupplungen aufgrund ihrer spielfreien und vibrationsfreien Eigenschaften ideal und bieten eine höhere Betriebsgenauigkeit. Praktischer Leitfaden zur Auswahl der richtigen Kupplung Die Auswahl der richtigen Kupplung ist für einen stabilen und effizienten Gerätebetrieb von entscheidender Bedeutung. Bei der Auswahl einer Kupplung sind folgende Schlüsselfaktoren zu berücksichtigen: Drehmomentanforderungen: Bestimmen Sie anhand der Motorleistung und der Gerätebelastung das erforderliche maximale Drehmoment. Beispielsweise entspricht ein 10-kW-Motor einem Drehmomentbereich von etwa 60–80 Nm. Fehlausrichtung: Wenn Installationsfehler (typischerweise 0,1 bis 0,5 mm) vorliegen, wählen Sie Kupplungen, die Fehlausrichtungen ausgleichen können, z. B. elastische oder Scheibenkupplungen. Geschwindigkeitsanforderungen: Für Hochgeschwindigkeitsanwendungen, beispielsweise über 3000 U/min, empfehlen sich Lamellenkupplungen aufgrund ihrer spielfreien und hochpräzisen Eigenschaften. Umgebungsbedingungen: Wählen Sie für Umgebungen mit hohen Temperaturen oder korrosiven Bedingungen Kupplungen aus Materialien wie Edelstahl oder anderen Speziallegierungen. Wartungsanforderungen: Einige Kupplungen (z. B. Zahnkupplungen) erfordern eine regelmäßige Schmierung und Kontrolle, während Scheibenkupplungen in der Regel keine Wartung erfordern, was sie ideal für den langfristigen, unterbrechungsfreien Betrieb macht. Beispielsweise kann in einer Produktionslinie für Wasserpumpen der Wechsel zu einer geeigneten elastischen Kupplung die durch Vibrationen verursachten mechanischen Ausfälle reduzieren und so die Ausfallraten der Geräte um etwa 25 % senken. Darüber hinaus senkt der Einsatz elastischer Kupplungen die Wartungskosten und steigert die Produktionseffizienz. Häufige Auswahlfehler und wie man sie vermeidet Zu den häufigsten Fehlern bei der Auswahl von Kupplungen gehören: Eine zu starke Fokussierung auf den Preis und die Vernachlässigung von Leistung und Lebensdauer führt zu häufigem Austausch. Fehlausrichtungsprobleme werden vernachlässigt, was zu einem vorzeitigen Ausfall der Kupplung führt. Falsche Schätzung des Drehmomentbedarfs, was zu einer Überlastung der Ausrüstung und Schäden an der Kupplung und anderen Komponenten führt. Daten zeigen, dass etwa 15 % der Geräteausfälle auf eine falsche Kupplungsauswahl zurückzuführen sind, die häufig durch genaue Berechnungen und die richtige Auswahl vermieden werden kann. Die richtige Auswahl verbessert die Stabilität der Ausrüstung und verlängert ihre Lebensdauer. Trends in der Kupplungstechnologie: Fortschritte in Richtung hoher Leistung und intelligenter Integration Da sich Industrieanlagen hin zu höherer Effizienz und intelligenten Systemen weiterentwickeln, schreitet auch die Kupplungstechnologie voran. Hier einige Trends in der Kupplungstechnik: Leichte und leistungsstarke Materialien: Neue Verbundwerkstoffe haben das Gewicht der Kupplungen um 20–40 % reduziert und gleichzeitig eine hohe Festigkeit und Haltbarkeit beibehalten. Wartungsfreies Design: Viele moderne Kupplungen zeichnen sich durch wartungsfreie Konstruktionen aus, wodurch Ausfallzeiten und Wartungskosten reduziert werden. Intelligente Überwachung: Einige Kupplungen integrieren mittlerweile Sensoren zur Überwachung von Echtzeitdaten (z. B. Vibration, Temperatur) und erhöhen so die Sicherheit und Effizienz. Diese technologischen Fortschritte machen Kupplungen besser für Hochgeschwindigkeits- und Hochpräzisionsanforderungen geeignet und erhöhen gleichzeitig ihre Anpassungsfähigkeit an komplexe Arbeitsbedingungen, was die Entwicklung einer intelligenten Fertigung und Automatisierung fördert. Referenzen Jiang, Y. & Liu, X. (2022). „Mechanische Kupplungen: Typen, Anwendungen und Überlegungen.“ Industrial Engineering Journal, 45(6), 12-25. Wang, H. & Zhang, Z. (2021). „Kupplungstechnik im Schwermaschinenbau: Trends und Innovationen.“ Journal of Manufacturing Systems, 39(3), 113-120. Xu, L. & Li, J. (2020). „Leistung elastischer Kupplungen in vibrierenden Maschinen.“ Journal of Vibration Engineering, 19(4), 233-241.
  • 2026.03.20
    Ist die GBD-Motorwellenverlängerungs-Trommelzahnradkupplung eine zuverlässige Kraftübertragungslösung?
    Die Motorwellenverlängerungstrommel-Zahnradkupplung vom Typ GBD (Q/YG 11003X-2018) ist eine leistungsstarke Kraftübertragungskomponente, die in verschiedenen Industriemaschinensystemen weit verbreitet ist. Es ist für sein überlegenes Design und seine Zuverlässigkeit bekannt und dient als entscheidendes Werkzeug für die Verbindung von Geräten und die effiziente Energieübertragung. Die Kupplung sorgt für eine stabile Drehmomentübertragung und einen reibungslosen Betrieb der Ausrüstung unter komplexen und rauen Arbeitsbedingungen und ist damit ein unverzichtbarer Bestandteil moderner Industriesysteme. Hauptmerkmale und Vorteile von GBD-Kupplungen Hohe Tragfähigkeit Die GBD motor shaft extension drum gear coupling is designed to handle high torque loads, making it particularly suitable for heavy-duty and high-intensity industrial environments. Its precise design ensures stable and effective power transmission across various working conditions, whether dealing with heavy loads or complex mechanical systems. In Branchen wie dem Bergbau, der Metallurgie und der chemischen Industrie sind Anlagen häufig komplexen Belastungsanforderungen und dynamischen Belastungen ausgesetzt. Die Fähigkeit der GBD-Kupplung, diesen Herausforderungen standzuhalten, gewährleistet eine effektive Kraftübertragung und ermöglicht einen reibungslosen und kontinuierlichen Betrieb der Geräte. Haltbarkeit und Langlebigkeit Die GBD-Kupplung besteht aus hochfesten Materialien und fortschrittlichen Herstellungsprozessen und weist eine außergewöhnliche Haltbarkeit auf. Es hält extremen Betriebsbedingungen wie hohen Temperaturen, Feuchtigkeit, Korrosion und Vibrationen stand und behält seine Leistung über einen langen Zeitraum bei. Beispielsweise kann die GBD-Kupplung in Zerkleinerungsmaschinen für Zementwerke häufige Schwerlastbetriebe bewältigen und sorgt selbst bei hohen Temperaturen und hoher Luftfeuchtigkeit für eine niedrige Ausfallrate. Diese Langlebigkeit gewährleistet einen effizienten Betrieb von Industrieanlagen und reduziert den Bedarf an häufiger Wartung oder Austausch. Reibungslose Kraftübertragung Die GBD motor shaft extension drum gear coupling ensures smooth connection between the motor and driven equipment by minimizing vibrations and backlash. In industrial applications, smooth power transmission is essential for maintaining precise machine operation. Excessive vibrations or shocks can lead to unnecessary wear and mechanical failures, while the GBD coupling's optimized design significantly reduces these risks. Darüber hinaus sorgt die Kupplung für eine stabile Kraftübertragung über verschiedene Maschinentypen hinweg, wodurch Lastschwankungen zwischen angeschlossenen Geräten wirksam reduziert und die Lebensdauer des gesamten Systems verlängert wird. Branchenübergreifende Anwendungen von GBD-Kupplungen Dank ihrer hohen Belastbarkeit, Haltbarkeit und stabilen Leistung wird die GBD-Motorwellenverlängerungs-Zahnradkupplung in verschiedenen Industriebereichen wie Bergbau, Metallurgie, Zement und Energieerzeugung häufig eingesetzt. Bergbauindustrie Die mining industry often operates in extremely harsh conditions, with equipment facing high torque, vibration, and stress. Machines like crushers, conveyors, and vibrating screens require a reliable power transmission system. The GBD coupling, with its high load-bearing capacity and resistance to high temperatures and corrosion, is the ideal choice for these heavy-duty machines. Beispielsweise muss die GBD-Kupplung in bestimmten Brechersystemen für den Bergbau unter hohem Drehmoment und Vibrationen funktionieren. Unter diesen rauen Arbeitsbedingungen tragen seine Haltbarkeit und Stabilität dazu bei, Ausfallzeiten zu minimieren und die Produktionseffizienz zu verbessern. Metallurgische Industrie Metallurgische Geräte arbeiten häufig unter hohen Temperaturen, schweren Lasten und Hochdruckbedingungen. Die hervorragende Hitzebeständigkeit und Ermüdungsbeständigkeit der GBD-Motorwellenverlängerungs-Zahnradkupplung machen sie zur idealen Wahl in diesem Sektor. Es wird in Geräten wie Walzwerken und Fördersystemen in Stahlwerken eingesetzt, wo eine stabile Kraftübertragung erforderlich ist, um mechanische Ausfälle zu minimieren. In einer Stahlproduktionslinie sorgt die GBD-Kupplung für eine präzise Drehmomentübertragung in Walzwerken, wo betriebliche Effizienz und Produktqualität von entscheidender Bedeutung sind. Die Fähigkeit der Kupplung, unter solch extremen Bedingungen zu funktionieren, garantiert einen langfristig stabilen Betrieb und reduziert die Notwendigkeit häufiger Reparaturen. Zementindustrie Die cement industry requires equipment to handle heavy loads and frequent operation cycles. In cement plants, machines like ball mills, mixers, and vertical mills demand high-efficiency power transmission systems. The GBD coupling performs exceptionally well in such environments, ensuring the stable operation of heavy-duty equipment and reducing maintenance needs. Beispielsweise ermöglicht die hohe Belastbarkeit und Verschleißfestigkeit der GBD-Kupplung in Kugelmühlen-Antriebssystemen eine konstante Leistung unter schwankenden Lastbedingungen und sorgt so für eine hohe Produktionseffizienz und eine qualitativ hochwertige Zementproduktion. Energieerzeugungsindustrie Im Bereich der Energieerzeugung sind Zuverlässigkeit und Stabilität der Ausrüstung von größter Bedeutung, insbesondere bei großen Maschinen wie Windkraftanlagen und Gasturbinen. Die GBD-Motorwellenverlängerungstrommel-Zahnradkupplung sorgt für eine reibungslose Kraftübertragung, reduziert Ausfallraten und verbessert so die Gesamteffizienz der Stromerzeugungssysteme. In Windkraftanlagen trägt die GBD-Kupplung dazu bei, die Leistungsübertragung von den rotierenden Rotorblättern zum Generator zu stabilisieren und so eine effiziente Energieerzeugung und eine zuverlässigere Energieversorgung zu gewährleisten. Technische Spezifikationen und Leistung von GBD-Kupplungen Die GBD motor shaft extension drum gear coupling has several key technical features that highlight its superior performance, making it an ideal choice for various industrial applications. Drehmomentübertragungsbereich Die GBD coupling is designed to efficiently transmit torque in the range of 100 Nm to several thousand Nm, covering a wide range of load requirements. This enables it to serve in both medium-load and heavy-load applications, ensuring effective power transmission in various types of industrial systems. Temperaturbeständigkeit Die GBD coupling can operate within a temperature range of -20°C to 100°C, allowing it to function reliably in extreme environmental conditions. Whether in cold climates or high-temperature environments, the coupling maintains excellent performance. Vibrationsdämpfung In Umgebungen mit hoher Belastung und starken Vibrationen reduziert die GBD-Kupplung Vibrationen effektiv und sorgt so für einen reibungslosen Betrieb des Maschinensystems. Dies spielt eine entscheidende Rolle bei der Vermeidung mechanischer Ausfälle durch übermäßige Vibrationen und gewährleistet die Langlebigkeit und Betriebsstabilität der Ausrüstung. Installations- und Wartungsempfehlungen Obwohl die GBD-Kupplung auf außergewöhnliche Haltbarkeit ausgelegt ist, sind eine ordnungsgemäße Installation und regelmäßige Wartung dennoch entscheidend, um eine optimale Leistung zu gewährleisten. Bei der Installation ist es wichtig, auf die korrekte Ausrichtung zwischen der Motorwelle und dem angetriebenen Gerät zu achten, um übermäßigen Verschleiß und Ausfälle zu vermeiden. Im Hinblick auf die Wartung wird empfohlen, die Zähne des Zahnrads regelmäßig auf Verschleiß zu prüfen, insbesondere in Umgebungen mit hoher Belastung oder hohen Temperaturen. Regelmäßige Reinigung und Inspektion der Dichtungen können die Lebensdauer der Kupplung zusätzlich verlängern. Die GBD-Motorwellenverlängerungstrommel-Zahnradkupplung (Q/YG 11003X-2018) bietet eine fortschrittliche und zuverlässige Lösung für die Kraftübertragung in Industriemaschinensystemen. Mit seiner hohen Belastbarkeit, außergewöhnlichen Haltbarkeit und seinem reibungslosen Betrieb dient es als wesentliche Komponente in verschiedenen Branchen wie Bergbau, Metallurgie, Zement und Energieerzeugung. Die coupling’s ability to function under extreme conditions and transfer power seamlessly between motor shafts and driven equipment ensures long-lasting and stable performance. By reducing downtime, maintenance costs, and mechanical failures, the GBD coupling plays a critical role in optimizing industrial operations and enhancing the efficiency and reliability of machinery systems. Referenzen Verband der chinesischen Maschinenindustrie. (2018). „Handbuch Kupplungstechnik“. Peking: China Machinery Industry Press. Li, M. & Wang, H. (2020). „Design und Anwendung von Hochlastkupplungen“. Maschinenbau und Automatisierung, 42(5), 34-39. Zhang, W. & Liu, Q. (2019). „Auswahl und Anwendung von Kupplungen in Bergbaumaschinen“. Bergbaumaschinen, 41(3), 45-49. Chen, G. & Wang, L. (2021). „Forschung und Anwendung hochtemperaturbeständiger Kupplungen in der metallurgischen Industrie“. Metallurgische Ausrüstung und Technologie, 39(2), 58-62. Zhang, T. & Huang, J. (2020). „Forschung zur Anwendung von Kupplungen in der Zementindustrie“. Zement- und Baustofftechnik, 38(8), 70-75.
  • 2026.03.12
    Wie verbessern GB-Trommelkupplungen die Effizienz der mechanischen Übertragung und die Zuverlässigkeit der Ausrüstung in industriellen Hochleistungsanwendungen?
    In modernen Industrieanlagen spielt eine zuverlässige Energieübertragung eine wesentliche Rolle für den stabilen Anlagenbetrieb. Große Maschinen, die in Branchen wie dem Bergbau, der Metallurgie, der Zementproduktion und dem Hafenumschlag eingesetzt werden, erfordern häufig Komponenten, die für den Umgang mit schweren Lasten und den Dauerbetrieb geeignet sind. Unter diesen Komponenten werden GB-Trommelzahnradkupplungen häufig in mechanischen Getriebesystemen verwendet, da sie dazu beitragen, die Effizienz mechanischer Getriebe aufrechtzuerhalten, die Zuverlässigkeit der Ausrüstung zu unterstützen und die Anforderungen von Hochleistungsindustrieanwendungen zu erfüllen. Eine Trommelzahnradkupplung verbindet zwei rotierende Wellen und überträgt Drehmoment zwischen ihnen. Sein Design ermöglicht ein gewisses Maß an Fehlausrichtung bei gleichzeitiger Beibehaltung einer effizienten Kraftübertragung. Da Industriemaschinen oft unter anspruchsvollen Bedingungen betrieben werden, ist die Fähigkeit, über lange Zeiträume eine stabile Leistung aufrechtzuerhalten, von großem Wert. In diesem Artikel wird untersucht, wie GB-Trommelzahnkupplungen zur Leistung von Industriemaschinen beitragen, warum sie häufig in anspruchsvollen Umgebungen eingesetzt werden und wie eine ordnungsgemäße Installation und Wartung dazu beiträgt, ihren Betriebswert zu maximieren. Warum ist die Effizienz der mechanischen Übertragung in Industrieanlagen wichtig? Mechanische Übertragungssysteme sind für die Energieübertragung von Motoren auf Arbeitskomponenten in Maschinen verantwortlich. Wenn Übertragungssysteme effizient arbeiten, können Geräte Aufgaben mit weniger Energieverlust und stabilerem Betrieb ausführen. Kupplungen, Zahnräder und Wellen tragen alle zu diesem Prozess bei. In industriellen Umgebungen können selbst kleine Verbesserungen der Effizienz der mechanischen Übertragung dazu beitragen, den Energieverbrauch zu senken und eine gleichmäßigere Maschinenleistung zu unterstützen. Welche Faktoren beeinflussen die Effizienz der mechanischen Übertragung in Industriemaschinen? Die Effizienz der mechanischen Übertragung hängt von mehreren technischen und betrieblichen Faktoren ab. Komponenten im Kraftübertragungssystem müssen reibungslos zusammenarbeiten, um sicherzustellen, dass Energie effektiv von der Antriebsquelle auf die angetriebene Ausrüstung übertragen wird. Mehrere Faktoren beeinflussen die Übertragungseffizienz: Präzision mechanischer Komponenten wie Zahnräder und Kupplungen Richtige Ausrichtung der Wellen Schmierqualität und Wartungsbedingungen Materialfestigkeit und Verschleißfestigkeit Wenn diese Faktoren richtig gemanagt werden, können Industriemaschinen effizienter und mit weniger Unterbrechungen arbeiten. Trommelzahnradkupplungen Tragen Sie zu diesem Prozess bei, indem Sie eine starke und stabile Verbindung zwischen rotierenden Wellen herstellen. Wie beeinflussen Kupplungen die Leistung der Kraftübertragung? Kupplungen spielen in industriellen Energieübertragungssystemen eine zentrale Rolle. Sie verbinden Wellen, die das Drehmoment von Motoren auf angetriebene Maschinen wie Förderbänder, Brecher und Walzwerke übertragen. Ohne eine geeignete Kupplung kann die Kraftübertragung instabil oder ineffizient werden. Trommelzahnradkupplungen sind darauf ausgelegt, die Übertragungsleistung zu verbessern, indem sie eine gleichmäßige Drehmomentübertragung aufrechterhalten, selbst wenn eine leichte Fehlausrichtung zwischen den Wellen auftritt. Ihr Beitrag zur Übertragungsleistung umfasst: Stabile Drehmomentübertragung zwischen verbundenen Wellen Reduzierte Belastung der Lager und anderer Komponenten Anpassungsfähigkeit an leichte Fehlausrichtungen in mechanischen Systemen Verbesserte Gesamtstabilität der Maschine Aufgrund dieser Eigenschaften werden Trommelzahnradkupplungen häufig für Geräte ausgewählt, die einen zuverlässigen und kontinuierlichen Betrieb erfordern. Warum werden Trommelzahnradkupplungen in Systemen mit hohem Drehmoment verwendet? Getriebesysteme mit hohem Drehmoment erfordern Kupplungen, die hohen Belastungen standhalten, ohne die Stabilität zu beeinträchtigen. Trommelzahnkupplungen sind aufgrund ihres konstruktiven Aufbaus für solche Anwendungen gut geeignet. Die trommelförmigen Zahnradzähne ermöglichen eine größere Flexibilität beim Ausgleich von Wellenfehlausrichtungen und sorgen gleichzeitig für eine große Kontaktfläche zwischen den Zahnradzähnen. Diese Struktur trägt dazu bei, die Last gleichmäßiger zu verteilen. Zu den Vorteilen von Trommelzahnradkupplungen in Systemen mit hohem Drehmoment gehören: Starke Tragfähigkeit Fähigkeit zur Übertragung großer Drehmomente Verbesserte Toleranz gegenüber Wellenfehlausrichtung Stabile Leistung unter schweren Betriebsbedingungen Diese Eigenschaften machen sie zu einer praktischen Lösung in Industriemaschinen, die eine zuverlässige mechanische Übertragung erfordern. Wie unterstützen GB-Trommelkupplungen die Anlagenzuverlässigkeit? In schweren Industrieumgebungen ist die Zuverlässigkeit der Ausrüstung von entscheidender Bedeutung. Maschinen laufen oft über lange Zeiträume ununterbrochen und unerwartete Ausfallzeiten können Produktionspläne unterbrechen und die Wartungskosten erhöhen. Das Design und die Qualität der Getriebekomponenten spielen daher eine wichtige Rolle für die Aufrechterhaltung eines stabilen Betriebs. Hochleistungskupplungssysteme sorgen für eine reibungslose Drehmomentübertragung und verringern gleichzeitig das Risiko mechanischer Ausfälle durch Fehlausrichtung, Vibration oder schwere Lasten. GB-Trommelzahnkupplungen tragen zur Zuverlässigkeit der Ausrüstung bei, indem sie eine dauerhafte und flexible Verbindung zwischen rotierenden Wellen bieten. Ihre zahnradartige Struktur ermöglicht eine hohe Drehmomentübertragung und gleicht gleichzeitig einen gewissen Winkel-, Radial- und Axialversatz zwischen angeschlossenen Geräten aus. Diese Flexibilität reduziert die Belastung der angeschlossenen Maschinen und trägt dazu bei, die Lebensdauer sowohl der Kupplung als auch der umgebenden Komponenten zu verlängern. Darüber hinaus werden GB-Trommelzahnkupplungen typischerweise aus hochfestem legiertem Stahl hergestellt und präzisen Bearbeitungs- und Wärmebehandlungsprozessen unterzogen. Diese Fertigungstechniken erhöhen die Verschleißfestigkeit, Belastbarkeit und Langzeitbeständigkeit auch unter anspruchsvollen Industriebedingungen. Das trommelförmige Zahnraddesign verbessert außerdem die Lastverteilung über die Zahnradzähne, minimiert lokalen Verschleiß und sorgt für eine gleichmäßigere Kraftübertragung. Aufgrund dieser Vorteile werden GB-Trommelzahnkupplungen häufig in Hochleistungsgeräten wie Walzwerken, Bergbaumaschinen, Förderbändern, Kränen und anderen großen Industrieanlagen eingesetzt. Ihre Fähigkeit, unter hohen Lasten, Stoßbedingungen und im Dauerbetrieb zuverlässig zu arbeiten, macht sie zu einer zuverlässigen Wahl für Branchen, in denen Geräteleistung und Betriebsstabilität von entscheidender Bedeutung sind. Welche strukturellen Merkmale verbessern die Zuverlässigkeit der Ausrüstung? Das strukturelle Design von Trommelzahnradkupplungen trägt dazu bei, dass sie unter anspruchsvollen Bedingungen effektiv funktionieren. Ihre gebogenen Zahnradzähne vergrößern die Kontaktfläche zwischen den zusammenpassenden Zahnrädern und ermöglichen so die Verteilung der Lasten auf eine größere Oberfläche. Zu den wichtigsten Strukturmerkmalen gehören: Gebogene trommelförmige Verzahnung Große tragende Kontaktfläche Hochfeste Stahlkonstruktion Beständigkeit gegen mechanische Beanspruchung und Verschleiß Diese Merkmale tragen dazu bei, lokale Spannungen innerhalb der Kupplung zu reduzieren und unterstützen die langfristige Zuverlässigkeit in industriellen Anwendungen. Wie reduzieren Zahnkupplungen Gerätevibrationen und Fehlausrichtungen? Bei vielen Industriemaschinen ist es aufgrund von Wärmeausdehnung, Laständerungen oder Installationsbedingungen schwierig, eine perfekte Wellenausrichtung aufrechtzuerhalten. Kupplungen müssen daher kleine Abweichungen ausgleichen, ohne übermäßige Belastungen auf andere Komponenten zu übertragen. Trommelzahnradkupplungen helfen bei der Bewältigung dieser Herausforderung, indem sie eine kontrollierte Flexibilität im Übertragungssystem ermöglichen. Zu ihren Vorteilen gehören: Ausgleich von Axial-, Radial- und Winkelversatz Reduzierung der zwischen verbundenen Wellen übertragenen Vibrationen Reibungsloserer Maschinenbetrieb Geringeres Risiko eines vorzeitigen Komponentenverschleißes Durch die Unterstützung einer ausgewogenen Kraftübertragung tragen diese Kupplungen zu einer stabileren Geräteleistung bei. Wie verbessert die richtige Schmierung die Lebensdauer der Kupplung? Die Schmierung spielt eine entscheidende Rolle bei der Aufrechterhaltung der Leistung von Zahnkupplungen. Durch das Zusammenwirken der Verzahnungen entsteht Reibung, die bei unzureichender Schmierung allmählich zu Verschleiß führen kann. Die richtige Schmierung bietet mehrere Vorteile: Reduzierte Reibung zwischen den Zahnradzähnen Schutz von Metalloberflächen vor Verschleiß Verbesserte Wärmeableitung im Betrieb Längere Lebensdauer der Kupplung Regelmäßige Schmierwartung stellt sicher, dass Trommelzahnradkupplungen im Getriebesystem weiterhin reibungslos funktionieren. Was macht Trommelzahnradkupplungen für schwere Industrieanwendungen geeignet? Industrieanlagen, die in Branchen wie Bergbau und Stahlproduktion eingesetzt werden, müssen schwere Lasten und Dauerbetrieb bewältigen. Trommelzahnradkupplungen sind so konzipiert, dass sie diese anspruchsvollen Bedingungen unterstützen und gleichzeitig eine stabile mechanische Übertragung gewährleisten. In welchen Branchen werden üblicherweise Trommelzahnradkupplungen eingesetzt? Trommelzahnradkupplungen werden häufig in Branchen eingesetzt, in denen Geräte unter hohem Drehmoment und schweren Lasten betrieben werden. Durch ihre robuste Bauweise eignen sie sich für große mechanische Systeme. Zu den gängigen Anwendungsbranchen gehören: Metallurgische Ausrüstung wie Walzwerke Bergbaumaschinen einschließlich Brecher und Förderbänder Zementproduktionssysteme Hafenumschlagsgeräte und Kräne Maschinen zur Stromerzeugung Diese Branchen benötigen zuverlässige Getriebekomponenten, die auch unter schwierigen Betriebsbedingungen effektiv funktionieren. Wie bewältigen Trommelzahnradkupplungen schwere Lasten und hohe Drehmomente? Die Fähigkeit, hohe Drehmomente zu bewältigen, ist einer der Hauptvorteile von Trommelzahnradkupplungen. Dank ihrer Verzahnungskonstruktion können sie große Kräfte übertragen und gleichzeitig einen stabilen Betrieb gewährleisten. Diese Fähigkeit wird erreicht durch: Starke Materialien aus legiertem Stahl Optimierte Verzahnungsgeometrie Gleichmäßige Verteilung der übertragenen Lasten Struktureller Widerstand gegen mechanische Ermüdung Diese Konstruktionsmerkmale tragen dazu bei, dass Trommelzahnradkupplungen in anspruchsvollen Industrieanwendungen zuverlässig funktionieren. Wie beeinflussen Industriestandards das Kupplungsdesign? Industriestandards tragen dazu bei, Kompatibilität, Sicherheit und Leistung aller mechanischen Komponenten sicherzustellen. Die GB-Norm enthält Spezifikationen für das Design und die Abmessungen von Trommelzahnkupplungen, die in Industrieanlagen verwendet werden. Die Standardisierung bietet mehrere Vorteile: Gleichbleibende Produktqualität und Zuverlässigkeit Austauschbarkeit zwischen kompatiblen Komponenten Vereinfachte Wartungs- und Austauschprozesse Unterstützung für große Industrieausrüstungssysteme Durch die Einhaltung standardisierter Designs können Hersteller Kupplungen herstellen, die sich problemlos in eine Vielzahl von Maschinen integrieren lassen. Wie kann eine ordnungsgemäße Installation und Wartung die Leistung verbessern? Selbst hochwertige Kupplungen erfordern eine ordnungsgemäße Installation und Wartung, um eine optimale Leistung zu erzielen. Durch den korrekten Einbau wird sichergestellt, dass die Kupplung innerhalb der vorgesehenen mechanischen Grenzen arbeitet. Was sind die wichtigsten Schritte bei der Installation von Trommelkupplungen? Die ordnungsgemäße Installation ist der erste Schritt zur Gewährleistung eines stabilen Betriebs einer Zahnkupplung. Techniker müssen die Wellen sorgfältig ausrichten und die Kupplungskomponenten sichern. Zu den wichtigsten Installationsschritten gehören: Inspektion von Wellen und Kupplungskomponenten vor dem Einbau Gewährleistung der korrekten Wellenausrichtung Schrauben und Befestigungsteile richtig sichern Auftragen einer geeigneten Schmierung Die Beachtung dieser Schritte trägt dazu bei, dass die Kupplung innerhalb des mechanischen Übertragungssystems effektiv funktioniert. Wie oft sollten Zahnkupplungen überprüft werden? Routineinspektionen sind wichtig für die Aufrechterhaltung der Zuverlässigkeit von Industrieanlagen. Bei Inspektionen überprüfen Techniker den Zustand der Kupplung und ihres Schmiersystems. Zu den Inspektionstätigkeiten gehören typischerweise: Getriebezähne auf Verschleiß oder Beschädigung prüfen Überwachung des Schmierstoffstandes Überprüfen Sie den festen Sitz der Schrauben Sicherstellung der korrekten Ausrichtung der verbundenen Wellen Regelmäßige Inspektionen helfen dabei, potenzielle Probleme zu erkennen, bevor sie die Geräteleistung beeinträchtigen. Wie kann vorbeugende Wartung die Ausfallzeiten von Geräten reduzieren? Bei der vorbeugenden Wartung geht es darum, kleinere Probleme zu erkennen und zu beheben, bevor sie sich zu größeren Problemen entwickeln. Bei Industriemaschinen trägt dieser Ansatz dazu bei, einen konsistenten Produktionsbetrieb aufrechtzuerhalten. Zu den vorbeugenden Wartungsmaßnahmen gehören: Geplante Schmierwartung Regelmäßige Komponenteninspektionen Frühzeitiger Austausch verschlissener Teile Überwachung der Vibration und Leistung von Geräten Diese Praktiken unterstützen die langfristige Zuverlässigkeit der Ausrüstung und tragen dazu bei, unerwartete Ausfallzeiten zu minimieren. Was sind die zukünftigen Entwicklungstrends für industrielle Getriebekupplungen? Industriemaschinen entwickeln sich ständig weiter, da die Herstellungsprozesse immer fortschrittlicher werden. Auch die Zahnkupplungstechnik entwickelt sich weiter, um den veränderten industriellen Anforderungen gerecht zu werden. Wie verbessern neue Materialien die Kopplungsleistung? Die Materialtechnologie spielt eine wichtige Rolle bei der Verbesserung der Haltbarkeit und Leistung der Kupplung. Moderne Kupplungen verwenden häufig fortschrittliche legierte Stähle und Wärmebehandlungsverfahren. Zu den Vorteilen verbesserter Materialien gehören: Höhere Festigkeit und Belastbarkeit Bessere Verschleißfestigkeit Längere Lebensdauer Verbesserte Zuverlässigkeit in anspruchsvollen Umgebungen Diese Entwicklungen ermöglichen es Kupplungen, immer anspruchsvollere Industriemaschinen zu unterstützen. Wie verbessert die Präzisionsfertigung die Übertragungseffizienz? Präzise Fertigungstechniken tragen dazu bei, eine genaue Zahngeometrie und eine reibungslosere mechanische Interaktion zwischen den Komponenten sicherzustellen. Verbesserte Herstellungsprozesse tragen dazu bei: Reduzierte Reibung zwischen den Zahnradzähnen Effizientere Drehmomentübertragung Geringere Vibrationswerte während des Betriebs Verbesserte Effizienz der mechanischen Übertragung Diese Verbesserungen verbessern die Gesamtleistung industrieller Übertragungssysteme. Welche Rolle werden Zahnkupplungen in modernen Industriesystemen spielen? Da industrielle Systeme immer umfangreicher und komplexer werden, bleiben zuverlässige Übertragungskomponenten weiterhin unerlässlich. Zahnkupplungen werden weiterhin mechanische Systeme unterstützen, die eine starke Drehmomentübertragung und Betriebsstabilität erfordern. Ihre Rolle in modernen Industriesystemen umfasst: Unterstützung schwerer Industrieanlagen Aufrechterhaltung einer stabilen Kraftübertragung Beitrag zur Gerätezuverlässigkeit Unterstützung der Entwicklung fortschrittlicher Industriemaschinen Vergleichstabelle: Trommelzahnradkupplung im Vergleich zu anderen Kupplungstypen Funktion Trommelzahnradkupplung Flexible Kupplung Starre Kupplung Drehmomentkapazität Hoch Mittel Hoch Ausgleich von Fehlausrichtungen Gut Gut Begrenzt Haltbarkeit bei schwerer Belastung Geeignet für schwere Anwendungen Mäßig Hoch but rigid Mechanische Übertragungseffizienz Stabil Mäßig Stabil but sensitive to alignment Typische Anwendungen Bergbau, Metallurgie, Zement Pumpen, Kompressoren Präzise ausgerichtete Wellen Durch die Kombination eines robusten Konstruktionsdesigns, einer hohen Drehmomentkapazität und Flexibilität bei Wellenversatz spielen GB-Trommelzahnradkupplungen eine wichtige Rolle bei der Aufrechterhaltung der mechanischen Übertragungseffizienz, der Verbesserung der Gerätezuverlässigkeit und der Unterstützung schwerer Industrieanwendungen. Bei ordnungsgemäßer Installation, Schmierung und Wartung dienen diese Kupplungen weiterhin als Schlüsselkomponenten in modernen Industriemaschinen. American Gear Manufacturers Association (AGMA). (2021). Konstruktions- und Anwendungsleitfaden für Zahnkupplungen. ISO – Internationale Organisation für Normung. (2020). Normen für mechanische Kraftübertragungskomponenten und Kupplungen. Maschinenhandbuch. (2022). Kraftübertragung und mechanische Komponenten. Industriepresse. Shigley, J. E., Budynas, R. G. und Nisbett, J. K. (2020). Maschinenbaudesign. McGraw-Hill Education.
  • 2026.03.05
    Was sind Zahnkupplungen und wie funktionieren sie?
    Wie funktioniert die Zahnradkupplung in mechanischen Kraftübertragungssystemen? Drehmomentübertragungsmechanismus der Zahnradkupplung Die Zahnradkupplung fungiert als mechanisches Gerät, das das Drehmoment zwischen zwei rotierenden Wellen überträgt und gleichzeitig einen gewissen Grad an Fehlausrichtung ausgleicht. In mechanischen Kraftübertragungssystemen muss das von einer Antriebsmaschine wie einem Elektromotoder, einer Turbine oder einem Motor erzeugte Drehmoment effizient auf angetriebene Geräte wie Pumpen, Kompressoren, Förderbänder und Industrieventilatoren übertragen werden. Durch die Zahnkupplungstechnologie kann diese Übertragung mit hoher Drehmomentkapazität und mechanischer Zuverlässigkeit erfolgen. Die working mechanism of a gear coupling is based on the interaction between Außenverzahnung auf der Nabe und Innenverzahnung in einer Hülle. Diese Zahnradzähne kämmen auf ähnliche Weise wie herkömmliche Zahnräder ineinander, ihre Hauptfunktion besteht jedoch nicht darin, die Drehgeschwindigkeit oder -richtung zu ändern. Stattdessen stellen sie eine flexible mechanische Verbindung her, die in der Lage ist, Rotationskräfte zu übertragen und gleichzeitig eine begrenzte Bewegung zwischen verbundenen Wellen zu ermöglichen. Wenn sich die Antriebswelle dreht, wird das Drehmoment über die auf der Welle montierte Nabe übertragen. Die Nabe enthält eine Außenverzahnung, die in die Innenverzahnung der Kupplungshülse eingreift. Wenn sich die Nabe dreht, übertragen die ineinandergreifenden Zahnradzähne ein Drehmoment auf die Hülse. Die Hülse überträgt dann die Rotationsenergie auf die Nabe, die mit der angetriebenen Welle verbunden ist. Dieser kontinuierliche Eingriff der Zahnradzähne ermöglicht die Übertragung des Drehmoments von der Eingangswelle zur Ausgangswelle mit minimalem Energieverlust. Die efficiency of torque transmission in gear couplings is influenced by several design characteristics, including tooth geometry, surface hardness, lubrication conditions, and contact area. Crowned gear teeth are commonly used to enhance performance and reduce localized stress concentrations. The crown shape allows the teeth to maintain proper contact even when slight shaft misalignment occurs. Da die Last gleichzeitig auf mehrere Zähne verteilt wird, sind Zahnkupplungen im Vergleich zu vielen anderen flexiblen Kupplungstypen in der Lage, sehr hohe Drehmomentwerte zu übertragen. Der Mehrzahnkontakt reduziert die Belastung jedes einzelnen Zahns, verbessert die Haltbarkeit und verlängert die Lebensdauer. Dieses Konstruktionsprinzip ist insbesondere bei Schwerindustrieanwendungen von Vorteil, bei denen häufig hohe Drehmomente und Stoßbelastungen auftreten. Ein weiterer wichtiger Faktor bei der Drehmomentübertragung ist die Schmierung. Zahnkupplungen arbeiten normalerweise mit Fett- oder Ölschmierung, um die Reibung zwischen den ineinandergreifenden Zahnradzähnen zu verringern. Eine ordnungsgemäße Schmierung minimiert den Verschleiß, verhindert Überhitzung und sorgt für eine reibungslose Drehbewegung. Ohne ausreichende Schmierung kann es zu beschleunigtem Verschleiß der Getriebezähne, Lochfraß oder Abrieb kommen, was die Leistung der Kupplung beeinträchtigen kann. Die torque capacity of a gear coupling can be described by the mechanical relationship between torque, force, and radius. T = F × r, In dieser Beziehung wird ein Drehmoment erzeugt, wenn eine Tangentialkraft in einem bestimmten Radius vom Rotationszentrum ausgeübt wird. Bei Zahnkupplungen bilden die Zahnradzähne die Kontaktflächen, an denen diese Tangentialkraft von einer rotierenden Komponente auf eine andere übertragen wird. In Hochleistungs-Kraftübertragungssystemen sind Zahnkupplungen so konstruiert, dass sie nicht nur ein konstantes Drehmoment, sondern auch schwankende Lasten, Drehrichtungsumkehr und vorübergehende Stoßkräfte bewältigen können. Aufgrund ihrer robusten Konstruktion und großen Kontaktfläche eignen sie sich besonders für Anwendungen, bei denen Zuverlässigkeit und Haltbarkeit von entscheidender Bedeutung sind. Prinzip des Ausgleichs von Zahnkupplungsfehlausrichtungen Eines der entscheidenden Merkmale einer Zahnkupplung ist ihre Fähigkeit, Wellenfehlausrichtungen auszugleichen und gleichzeitig eine effiziente Drehmomentübertragung aufrechtzuerhalten. In realen mechanischen Systemen ist eine perfekte Wellenausrichtung aufgrund von Einbautoleranzen, Wärmeausdehnung, struktureller Durchbiegung und dynamischen Belastungen während des Betriebs selten erreichbar. Zahnkupplungen sind speziell darauf ausgelegt, diese Bedingungen auszugleichen. Fehlausrichtungen in rotierenden Maschinen treten im Allgemeinen in drei Hauptformen auf: Winkelfehlausrichtung, Parallelfehlausrichtung und Axialverschiebung. Zahnkupplungen können Winkelversatz durch die Geometrie ihrer balligen Zahnradzähne ausgleichen. Durch das ballige Profil bleiben die Zähne auch dann in Kontakt, wenn die Wellen nicht perfekt ausgerichtet sind. Anstatt die gesamte Zahnoberfläche zu berühren, verlagert sich die Last über die Zahnkrone, wodurch der Eingriff aufrechterhalten und gleichzeitig die Kantenbelastung verringert wird. Eine parallele Fehlausrichtung, auch als versetzte Fehlausrichtung bezeichnet, tritt auf, wenn die Mittellinien zweier Wellen parallel, aber nicht kollinear sind. Zahnkupplungen tolerieren zwar eine Winkelfehlausrichtung besser als eine parallele Fehlausrichtung, können aber durch die Bewegung der Hülse relativ zu den Naben dennoch einen moderaten Versatz ausgleichen. Eine axiale Verschiebung entsteht, wenn sich im Betrieb der Abstand zwischen den beiden Wellen ändert. Beispielsweise kann eine thermische Ausdehnung dazu führen, dass sich Wellen bei steigenden Temperaturen verlängern. Zahnkupplungen ermöglichen eine begrenzte axiale Bewegung innerhalb der Hülse, um diese Änderungen auszugleichen, ohne übermäßige axiale Kräfte auf die angeschlossenen Geräte zu übertragen. Die crowned gear tooth design is critical to the misalignment compensation capability of gear couplings. The crown shape reduces the risk of tooth edge loading, which could otherwise lead to premature wear or failure. By distributing the load across the curved tooth surface, the coupling maintains smooth torque transmission even when minor misalignment occurs. Ein weiterer Faktor, der zum Ausgleich von Fehlausrichtungen beiträgt, ist das Spiel zwischen den Zähnen der Nabe und der Hülse. Dieses Spiel bietet die nötige Freiheit für relative Bewegungen und sorgt gleichzeitig für einen ausreichenden Zahneingriff. Die Ingenieure gleichen Spiel und Kontaktfläche sorgfältig aus, um sowohl Flexibilität als auch eine hohe Drehmomentkapazität zu erreichen. Der Ausgleich von Fluchtungsfehlern reduziert auch die Belastung angeschlossener Maschinenkomponenten wie Lager und Wellen. Ohne einen flexiblen Kupplungsmechanismus würden Fehlausrichtungskräfte direkt auf das mechanische System übertragen und möglicherweise Vibrationen, Lagerverschleiß und Wellenermüdung verursachen. Zahnkupplungen wirken als mechanischer Puffer, der diese Belastungen aufnimmt und umverteilt. In vielen Schwerindustrieumgebungen ändern sich die Fehlausrichtungsbedingungen aufgrund von Lastschwankungen und Temperaturschwankungen dynamisch. Zahnkupplungen können sich während des Betriebs kontinuierlich an diese Veränderungen anpassen und sorgen so für eine gleichbleibende Leistung auch unter anspruchsvollen Bedingungen. Lastverteilung der Zahnkupplung und Zahnkontaktverhalten Die load distribution characteristics of gear couplings play a critical role in their ability to transmit high torque efficiently. When torque is applied to the coupling, multiple gear teeth engage simultaneously, sharing the load across the entire circumference of the coupling interface. This multi-tooth contact significantly reduces the stress experienced by individual teeth. Die load path begins at the driving hub, where torque is applied from the rotating shaft. The gear teeth on the hub engage with the internal teeth of the sleeve. As rotational force is applied, the teeth transmit tangential forces along the pitch circle of the coupling. Because several teeth are engaged at the same time, the total load is distributed rather than concentrated. Die contact behavior between gear teeth is influenced by factors such as tooth profile accuracy, surface finish, material hardness, and lubrication quality. Precision machining ensures that the gear teeth mesh smoothly without excessive backlash or interference. High-quality surface finishes reduce friction and improve the efficiency of torque transmission. Neben Tangentialkräften wirken auf die Verzahnung im Betrieb auch Radial- und Axialkräfte ein. Radiale Kräfte entstehen durch den Kontaktdruck zwischen den ineinandergreifenden Zähnen, während axiale Kräfte durch Fehlausrichtung oder axiale Bewegung der Wellen entstehen können. Die Konstruktion der Kupplung muss diese Kräfte aufnehmen, ohne dass es zu übermäßiger Verformung oder Verschleiß kommt. Die Materialauswahl ist ein weiterer wichtiger Faktor, der die Lastverteilung beeinflusst. Getriebekupplungskomponenten werden typischerweise aus hochfesten legierten Stählen hergestellt, die Wärmebehandlungsprozessen wie Aufkohlen oder Induktionshärten unterzogen werden. Diese Behandlungen erhöhen die Oberflächenhärte bei gleichzeitiger Beibehaltung der Kernzähigkeit, sodass die Zähne wiederholten Belastungszyklen standhalten können. Oberflächenkontaktmuster werden während der Entwurfs- und Testphase der Entwicklung von Zahnkupplungen sorgfältig analysiert. Ingenieure untersuchen die Kontaktverteilung über die Zahnoberfläche, um sicherzustellen, dass die Belastung gleichmäßig verteilt wird. Ungleichmäßige Kontaktmuster können auf eine Fehlausrichtung, Herstellungsfehler oder unzureichende Schmierung hinweisen. Dynamische Belastungsbedingungen beeinflussen das Zahnkontaktverhalten zusätzlich. In Anwendungen wie Walzwerken, Bergbaumaschinen und Schiffsantriebssystemen können Drehmomentbelastungen schnell schwanken. Zahnkupplungen sind darauf ausgelegt, diese dynamischen Bedingungen zu bewältigen, indem sie einen stabilen Zahneingriff auch bei erheblichen Drehmomentschwankungen aufrechterhalten. Die interaction between gear teeth also produces sliding motion along the contact surfaces. This sliding action requires effective lubrication to prevent metal-to-metal contact. Grease or oil lubricants form a protective film that reduces friction and dissipates heat generated during operation. Die combination of multi-tooth engagement, hardened materials, and controlled lubrication enables gear couplings to achieve exceptional torque capacity and long operational life. Their ability to distribute loads effectively makes them one of the most reliable coupling solutions for demanding industrial environments. Dynamische Leistung von Zahnradkupplungen in rotierenden Maschinen Zahnkupplungen werden in komplexen rotierenden Maschinensystemen eingesetzt, in denen dynamische Kräfte die Gesamtleistung beeinflussen. Mit steigender Drehzahl werden Zentrifugalkräfte, Vibration und dynamische Fehlausrichtung zu immer bedeutenderen Faktoren, die das Kupplungsverhalten beeinflussen. Bei höheren Drehzahlen wirkt die Zentrifugalkraft auf die Kupplungsteile, insbesondere auf die Hülse und das Schmiermedium. Diese Kraft kann das Schmiermittel im Kupplungsgehäuse neu verteilen und möglicherweise die Schmierwirkung beeinträchtigen. Durch die richtige Dichtungs- und Schmierkonstruktion wird sichergestellt, dass das Schmiermittel gleichmäßig über die Zahnradzähne verteilt bleibt. Die Rotationsdynamik bringt auch Vibrationen in das System. Vibrationen können durch Unwucht rotierender Komponenten, Fehlausrichtung oder schwankende Drehmomentbelastungen verursacht werden. Zahnkupplungen müssen trotz dieser dynamischen Bedingungen einen stabilen Zahneingriff aufrechterhalten. Das ballige Zahndesign trägt dazu bei, leichte Bewegungen auszugleichen und gleichzeitig eine gleichmäßige Drehmomentübertragung aufrechtzuerhalten. Die mass and inertia of the coupling also influence system dynamics. Larger couplings with greater mass may affect the natural frequency of the rotating system. Engineers must consider these factors when selecting a coupling to avoid resonance conditions that could lead to excessive vibration. Diermal effects further contribute to dynamic performance. As machinery operates, friction and environmental conditions generate heat within the coupling. Thermal expansion can alter shaft alignment and coupling dimensions. Gear couplings accommodate these changes through their flexible tooth engagement and axial movement capability. In Hochleistungsanwendungen wie Stahlwerken, Kraftwerken und Schiffsantriebssystemen sind Zahnkupplungen häufig Stoßbelastungen und plötzlichen Drehmomentumkehrungen ausgesetzt. Durch ihre robuste Bauweise können sie diese Kräfte ohne strukturelle Schäden aufnehmen. Der verteilte Lastpfad über mehrere Zähne trägt dazu bei, lokale Überbeanspruchungen zu verhindern. Die dynamic behavior of gear couplings is often evaluated using advanced simulation tools such as finite element analysis and dynamic modeling. These analyses help engineers predict stress distribution, vibration characteristics, and fatigue life under various operating conditions. Zahnkupplungen spielen daher eine entscheidende Rolle bei der Aufrechterhaltung der Stabilität mechanischer Kraftübertragungssysteme. Ihre Fähigkeit, unter dynamischen Bedingungen zuverlässig zu arbeiten, stellt sicher, dass Industriemaschinen auch in anspruchsvollen Umgebungen effizient arbeiten können. Was sind die Hauptkomponenten einer Zahnkupplung und wie funktionieren sie? A Zahnradkupplung ist ein mechanisches Gerät zur Verbindung zweier rotierender Wellen, um in Industriemaschinen Drehmomente effizient zu übertragen. Die Struktur einer Zahnkupplung ist so konstruiert, dass sie hohen Drehmomentbelastungen standhält, Wellenfehlausrichtungen ausgleicht und eine stabile Kraftübertragung unter anspruchsvollen Betriebsbedingungen gewährleistet. Die innere Architektur einer Zahnkupplung besteht aus mehreren präzisionsgefertigten Komponenten, die miteinander interagieren, um eine zuverlässige Drehmomentübertragung, kontrollierte Flexibilität und langfristige Haltbarkeit in hochbeanspruchten mechanischen Systemen zu gewährleisten. Jede Komponente einer Zahnkupplung erfüllt eine bestimmte mechanische Funktion innerhalb der Kraftübertragungsbaugruppe. Durch die Kombination von Naben, Hülsen, Zähnen, Dichtungen, Schmiersystemen und Befestigungselementen entsteht ein robuster Kupplungsmechanismus, der unter hohen Lasten, schwankendem Drehmoment und kontinuierlicher Drehbewegung betrieben werden kann. Das Design dieser Komponenten wird von Faktoren wie Drehmomentkapazität, Wellengröße, Drehzahl, Fehlausrichtungstoleranz, Schmierungsanforderungen und Umgebungsbedingungen beeinflusst, die üblicherweise in Industrieanlagen anzutreffen sind. Struktur und mechanische Rolle der Zahnradkupplungsnabe Die hub is one of the primary structural elements of a gear coupling. It serves as the direct connection between the rotating shaft and the coupling assembly. Each gear coupling typically includes two hubs, with one hub mounted on the driving shaft and the other mounted on the driven shaft. These hubs are responsible for transmitting rotational motion from the shafts into the coupling mechanism. Die outer surface of the hub contains Außenverzahnung , die präzise bearbeitet sind, um in die Innenverzahnung der Kupplungshülse einzugreifen. Diese Verzahnungen bilden die primäre Drehmomentübertragungsschnittstelle innerhalb des Kupplungssystems. Wenn sich die Antriebswelle dreht, dreht sich gleichzeitig die Nabe, und die Außenverzahnung überträgt durch ihren Kontakt mit der Innenhülsenverzahnung Drehmoment. Zahnkupplungsnaben werden üblicherweise aus hochfesten legierten Stählen hergestellt, die hohen mechanischen Belastungen und wiederholten Belastungszyklen standhalten. Zur Verbesserung der Oberflächenhärte und Verschleißfestigkeit werden häufig Wärmebehandlungsverfahren wie Aufkohlen, Induktionshärten oder Nitrieren eingesetzt. Diese Behandlungen erhöhen die Haltbarkeit der Zahnradzähne und sorgen gleichzeitig für ausreichende Zähigkeit im Nabenkern, um Rissbildung oder Ermüdungsversagen zu widerstehen. Die hub bore is machined to match the shaft diameter and may include a Keilnut , Spline-Schnittstelle oder Presspassung, je nach Designanforderungen. Eine Passfederverbindung ist eine der gebräuchlichsten Methoden zur Befestigung der Nabe an der Welle. Die Passfeder überträgt das Drehmoment zwischen der Welle und der Nabe und verhindert gleichzeitig eine relative Drehung. Die richtige Ausrichtung und sichere Montage der Nabe sind entscheidend für die Leistung des gesamten Zahnkupplungssystems. Jegliche Lockerheit oder unsachgemäße Passung zwischen Nabe und Welle kann zu Vibrationen, ungleichmäßiger Lastverteilung oder vorzeitigem Komponentenverschleiß führen. Aus diesem Grund umfassen die Installationsverfahren typischerweise eine präzise Wellenvorbereitung, eine genaue Passfedermontage und ein kontrolliertes Drehmoment-Anziehen der Halteelemente. In industriellen Hochleistungsanwendungen wie Förderbändern im Bergbau, Walzwerken, Schiffsantriebssystemen und Energieerzeugungsanlagen müssen Getriebekupplungsnaben extrem hohe Drehmomentbelastungen bewältigen und gleichzeitig einen stabilen mechanischen Eingriff mit der Welle aufrechterhalten. Getriebekupplungshülse und interne Getriebeschnittstelle Die sleeve, sometimes referred to as the Getriebekupplungshülse or Kupplungsschale ist das zentrale Bauteil, das die beiden Naben innerhalb der Kupplungsbaugruppe verbindet. Die Innenfläche der Hülse enthält Innenverzahnung die in die Außenverzahnung jeder Nabe eingreifen. Die sleeve functions as the torque transfer bridge between the driving hub and the driven hub. When the driving hub rotates, its gear teeth engage with the internal teeth of the sleeve, causing the sleeve to rotate. The rotating sleeve then transmits torque to the second hub, which drives the connected shaft. Die internal gear teeth of the sleeve are typically designed with a slightly larger profile than the external hub teeth to allow proper meshing and controlled clearance. This clearance is necessary to accommodate shaft misalignment and axial movement during operation. Zahnkupplungshülsen werden häufig als solche hergestellt zweiteilige Baugruppe oder ein einteilige Hülse abhängig von der Kupplungsausführung. Zweiteilige Hülsen ermöglichen eine einfachere Installation und Wartung, insbesondere in großen Industrieanlagen, in denen die Demontage angeschlossener Maschinen schwierig sein kann. Das geteilte Hülsendesign ermöglicht es Technikern, die Hülse zu entfernen oder auszutauschen, ohne die Nabenmontage auf den Wellen zu beeinträchtigen. Bei Hochleistungszahnkupplungen werden die Innenverzahnungen präzisionsgefertigt, um genaue Kontaktmuster und reibungslose Drehbewegungen zu gewährleisten. Oberflächenbearbeitungsprozesse wie Schleifen oder Honen können angewendet werden, um die Zahngeometrie zu verbessern und die Reibung zwischen ineinandergreifenden Oberflächen zu verringern. Die sleeve must also withstand significant radial and tangential forces generated by torque transmission. As torque increases, the contact pressure between the hub teeth and sleeve teeth also increases. Therefore, the sleeve is typically constructed from hardened alloy steel capable of resisting wear, deformation, and fatigue under continuous load conditions. Bei vielen Zahnkupplungskonstruktionen dient die Hülse auch als Kupplung Schmierkammer . Im Hülsenhohlraum befindet sich Schmierfett oder -öl, um sicherzustellen, dass die ineinandergreifenden Zahnradzähne während des Betriebs ordnungsgemäß geschmiert bleiben. Das Innenvolumen der Hülse ermöglicht die Zirkulation des Schmiermittels über die Zahnoberflächen des Zahnrads, während sich die Kupplung dreht. Zahnkupplung, ballige Zahngeometrie Die geometry of the gear teeth plays a crucial role in the mechanical performance of a gear coupling. Unlike standard gear systems used for speed reduction or motion transmission, gear coupling teeth are specifically designed to accommodate shaft misalignment while maintaining consistent torque transfer. Die external teeth on the hubs are typically designed with a gekröntes Profil Das bedeutet, dass die Zahnoberfläche entlang ihrer axialen Länge eine leicht gekrümmte Form aufweist. Durch diese Kronenform bleiben die Zähne des Zahnrads auch dann in Kontakt, wenn die Wellen nicht perfekt ausgerichtet sind. Wenn zwischen den beiden Wellen eine Winkelfehlausrichtung auftritt, verschieben die balligen Zahnradzähne ihren Kontaktpunkt entlang der gekrümmten Oberfläche, anstatt die Spannung an den Zahnkanten zu konzentrieren. Dieses Design reduziert lokale Spannungskonzentrationen und verhindert Kantenbelastungen, die zu Zahnschäden führen könnten. Die crowned tooth design also allows the coupling to accommodate minor axial movement between shafts. Thermal expansion, load variations, and structural deflection can cause shafts to move slightly during operation. The curved tooth geometry enables the gear teeth to slide along each other while maintaining torque transmission. Das Zahnkontaktverhalten innerhalb einer Zahnkupplung wird von mehreren technischen Faktoren beeinflusst, darunter Teilkreisdurchmesser, Eingriffswinkel, Zahnmodul und Oberflächenbeschaffenheit. Diese Parameter werden sorgfältig ausgewählt, um eine optimale Lastverteilung über die Zahnradzähne sicherzustellen. Die relationship between transmitted torque and the forces acting on the gear teeth can be represented by the following mechanical relationship. In diesem Ausdruck wird das Drehmoment durch eine Tangentialkraft erzeugt, die in einem bestimmten Radius vom Rotationszentrum aus wirkt. Bei einer Zahnradkupplung bilden die Zahnradzähne die Kontaktflächen, an denen diese Tangentialkraft zwischen rotierenden Komponenten übertragen wird. Durch die richtige Zahngeometrie wird sichergestellt, dass die Tangentialkraft gleichzeitig auf mehrere Zähne verteilt wird. Durch diesen Vielzahneingriff können Zahnkupplungen im Vergleich zu vielen anderen flexiblen Kupplungskonstruktionen ein deutlich höheres Drehmoment übertragen. Getriebekupplungsdichtungen und Schmiermittel-Eindämmungssystem Beim Betrieb von Zahnkupplungen spielt die Schmierung eine entscheidende Rolle, da die ineinandergreifenden Zahnradzähne während der Drehung sowohl eine Roll- als auch eine Gleitbewegung erfahren. Ohne wirksame Schmierung kann die Reibung zwischen den Zahnradzähnen zu übermäßigem Verschleiß, Überhitzung und vorzeitigem Ausfall führen. Um eine ordnungsgemäße Schmierung aufrechtzuerhalten, sind Zahnkupplungen mit ausgestattet Dichtungssysteme Sie halten Fett oder Öl in der Kupplungsbaugruppe zurück und verhindern gleichzeitig das Eindringen von Verunreinigungen. Diese Dichtungen werden typischerweise an der Schnittstelle zwischen der Hülse und den Naben installiert. Zu den gängigen Dichtungstypen, die in Zahnkupplungen verwendet werden, gehören Gummilippendichtungen, O-Ring-Dichtungen, Labyrinthdichtungen und Metallsicherungsringe. Jede Dichtungsmethode wird basierend auf Betriebsbedingungen wie Drehzahl, Temperaturbereich, Umgebungseinflüssen und Wartungsintervallen ausgewählt. Gummilippendichtungen werden häufig in mittelschnell laufenden Industrieanlagen eingesetzt, da sie eine zuverlässige Schmierung und einen wirksamen Schutz vor Verschmutzung bieten. Bei Hochtemperatur- oder Hochleistungsanwendungen können spezielle Dichtungsmaterialien verwendet werden, um chemischer Belastung oder thermischer Zersetzung zu widerstehen. Die lubrication system inside the gear coupling ensures that a protective film of lubricant remains between the contacting gear tooth surfaces. This lubricant film reduces friction and dissipates heat generated during torque transmission. Fettschmierung wird häufig für Kupplungen mit niedriger bis mittlerer Geschwindigkeit verwendet, da sie leichter im Kupplungsgehäuse gehalten werden kann. Ölschmierung kann in Hochgeschwindigkeits-Zahnkupplungen verwendet werden, wo eine verbesserte Wärmeableitung und Flüssigkeitszirkulation erforderlich sind. Um eine gleichbleibende Leistung der Zahnkupplung zu gewährleisten, ist eine regelmäßige Wartung der Schmierung erforderlich. Im Laufe der Zeit können sich Schmierstoffe aufgrund von Temperatureinwirkung, Verschmutzung oder mechanischem Versagen verschlechtern. Das Nachfüllen oder Ersetzen des Schmiermittels trägt dazu bei, optimale Betriebsbedingungen für die Verzahnung aufrechtzuerhalten. Was sind die Hauptvorteile der Zahnkupplung im Vergleich zu anderen Kupplungen? In industriellen Kraftübertragungssystemen wirkt sich die Auswahl des richtigen Kupplungstyps direkt auf die Effizienz, Zuverlässigkeit und Betriebslebensdauer der Ausrüstung aus. A Zahnradkupplung gilt weithin als eine der robustesten und leistungsstärksten Kupplungslösungen für Schwerlastanwendungen. Zahnkupplungen dienen dazu, zwei rotierende Wellen zu verbinden und gleichzeitig hohe Drehmomentlasten zu übertragen, Wellenfehlausrichtungen auszugleichen und eine stabile mechanische Leistung unter anspruchsvollen Betriebsbedingungen aufrechtzuerhalten. Im Vergleich zu vielen anderen Kupplungstypen, die in Industriemaschinen verwendet werden – wie z Klauenkupplung , Netzkopplung , und Flanschkupplung – Zahnkupplungen bieten mehrere technische Vorteile in Bezug auf Drehmomentkapazität, Lastverteilung, Fehlausrichtungstoleranz, Haltbarkeit und mechanische Zuverlässigkeit. Aufgrund dieser Vorteile eignen sich Zahnkupplungen besonders für schwere Industrieumgebungen wie Bergbaumaschinen, Stahlwerke, Schiffsantriebssysteme, Energieerzeugungsanlagen und große Kompressorantriebe. Hohe Drehmomentübertragungskapazität der Zahnradkupplung Einer der größten Vorteile einer Zahnkupplung ist ihre außergewöhnliche Drehmomentübertragungsfähigkeit. Zahnkupplungen sind im Vergleich zu vielen anderen flexiblen Kupplungstypen, die in mechanischen Kraftübertragungssystemen verwendet werden, speziell für die Bewältigung extrem hoher Drehmomentbelastungen ausgelegt. Die torque transmission capability of a coupling is largely determined by the contact area through which rotational force is transferred. In a gear coupling, torque is transmitted through the meshing interaction of multiple gear teeth between the hubs and the sleeve. Unlike elastomeric couplings or simple rigid couplings, gear couplings distribute the transmitted load across several gear teeth simultaneously. This multi-tooth engagement dramatically increases the load-bearing capacity of the coupling. Die mechanical relationship between transmitted torque and tangential force can be represented as: In dieser Beziehung wird ein Drehmoment erzeugt, wenn eine Tangentialkraft in einem bestimmten Radius von der Drehachse wirkt. Innerhalb einer Zahnradkupplungsbaugruppe wird diese Tangentialkraft über die Zahnkontaktflächen übertragen, die sich rund um den Teilkreisdurchmesser der Kupplung befinden. Da sich mehrere Zähne gleichzeitig die Last teilen, wird die Belastung jedes einzelnen Zahns deutlich reduziert. Dieser verteilte Lastpfad ermöglicht es Zahnkupplungen, wesentlich höhere Drehmomente zu übertragen, ohne die zulässigen Belastungsgrenzen des Materials zu überschreiten. Daher werden Zahnkupplungen häufig in Hochleistungsantriebssystemen eingesetzt, bei denen die Drehmomentbelastung erheblich ist und ein kontinuierlicher Betrieb erforderlich ist. Große Industriemotoren, Dampfturbinen und Hochleistungspumpen sind häufig auf Zahnkupplungen angewiesen, um die Antriebsausrüstung mit angetriebenen Maschinen zu verbinden. Bei diesen Anwendungen können Drehmomente Tausende oder sogar Millionen Newtonmeter erreichen. Die strukturelle Festigkeit der Zahnkupplungskomponenten ermöglicht es ihnen, auch unter diesen extremen mechanischen Belastungen eine zuverlässige Leistung aufrechtzuerhalten. Im Gegensatz dazu sind Kupplungen auf Elastomerbasis wie Klauenkupplungen auf flexible Gummielemente zur Drehmomentübertragung angewiesen. Während diese Kupplungen eine hervorragende Vibrationsdämpfung bieten, ist ihre Drehmomentkapazität durch die mechanischen Eigenschaften des Elastomermaterials begrenzt. Hohe Drehmomentbelastungen können zu einer Verformung oder einem Ausfall des Elastomers führen, wodurch sie für Hochleistungsanwendungen ungeeignet sind. Starre Kupplungen wie Flanschkupplungen können ein hohes Drehmoment übertragen, tolerieren jedoch keine Fehlausrichtung zwischen Wellen. Jede Fehlausrichtung kann zu erheblichen Belastungen der Wellen und Lager führen. Zahnkupplungen bieten sowohl eine hohe Drehmomentkapazität als auch kontrollierte Flexibilität und eignen sich daher besser für komplexe Industriesysteme. Überlegene Fähigkeit der Zahnradkupplung zum Ausgleich von Fehlausrichtungen Ein weiterer wichtiger Vorteil von Zahnkupplungen ist ihre Fähigkeit, Wellenfehlausrichtungen auszugleichen und gleichzeitig eine effiziente Drehmomentübertragung aufrechtzuerhalten. In realen Industrieanlagen ist es aufgrund von Installationstoleranzen, Fundamentsetzungen, Wärmeausdehnung und struktureller Durchbiegung äußerst schwierig, eine perfekte Ausrichtung zwischen zwei rotierenden Wellen zu erreichen. Zahnkupplungen sind mit ausgelegt ballige Verzahnung , die es der Kupplung ermöglichen, Winkelfehler zwischen den verbundenen Wellen auszugleichen. Das kronenförmige Zahnprofil ermöglicht eine Verschiebung des Kontaktpunkts zwischen ineinandergreifenden Zähnen entlang der gekrümmten Oberfläche, wenn die Wellen von der perfekten Ausrichtung abweichen. Diese Geometrie verhindert Kantenbelastungen und gewährleistet eine weiterhin reibungslose Drehmomentübertragung. Eine Winkelfehlausrichtung tritt auf, wenn sich die Achsen zweier Wellen in einem leichten Winkel schneiden, anstatt eine vollkommen gerade Linie zu bilden. Zahnkupplungen können je nach spezifischem Design und Größe der Kupplung normalerweise Winkelfehler im Bereich von etwa 0,5 Grad bis 1,5 Grad ausgleichen. Neben Winkelversatz tolerieren Zahnkupplungen auch begrenzte Parallelversätze und axiale Verschiebungen. Eine parallele Fehlausrichtung tritt auf, wenn die Wellen parallel bleiben, ihre Mittellinien jedoch versetzt sind. Eine axiale Verschiebung entsteht, wenn sich der Abstand zwischen den Wellen während des Betriebs aufgrund von Wärmeausdehnung oder Lastschwankungen ändert. Viele Industriemaschinen unterliegen während des Betriebs ständigen thermischen Schwankungen. Wenn die Temperaturen steigen, dehnen sich die Schächte aus und die relative Position der angeschlossenen Geräte kann sich geringfügig verschieben. Zahnkupplungen ermöglichen diese Bewegung, ohne übermäßige Belastungen auf die angeschlossenen Maschinen zu übertragen. Flexible Kupplungen wie z Netzkopplung Auch Fluchtungsfehler können bis zu einem gewissen Grad ausgeglichen werden, bei der Übertragung hoher Drehmomentbelastungen kann ihre Toleranz gegenüber Zahnfehlausrichtungen jedoch geringer sein als die von Zahnkupplungen. Gitterkupplungen basieren auf Federelementen, die sich unter Last verbiegen, während Zahnradkupplungen durch gehärtete Zahnradzähne einen starren mechanischen Kontakt aufrechterhalten. Starre Kupplungen wie z Flanschkupplung kann eine Fehlausrichtung überhaupt nicht tolerieren. Selbst geringfügige Fehlausrichtungen in einer starren Kupplung können zu übermäßigen Lagerbelastungen, Wellenverbiegungen, Vibrationen und vorzeitigem Geräteausfall führen. Zahnkupplungen beseitigen viele dieser Risiken, indem sie eine kontrollierte mechanische Flexibilität bieten. Lange Lebensdauer und hohe mechanische Haltbarkeit der Getriebekupplung Zahnkupplungen sind für eine lange Lebensdauer in schweren Industrieumgebungen ausgelegt. Ihre Haltbarkeit ist größtenteils auf die bei ihrer Konstruktion verwendeten Materialien, die Wärmebehandlungsprozesse der Zahnradzähne und die Schmiersysteme zum Schutz der Kontaktflächen zurückzuführen. Die meisten Getriebekupplungskomponenten werden aus hochfesten legierten Stählen wie Chrom-Molybdän-Stahl oder Nickellegierungsstahl hergestellt. Diese Materialien bieten eine hervorragende mechanische Festigkeit, Ermüdungsbeständigkeit und Verschleißfestigkeit. Nach der Bearbeitung werden die Zahnradzähne typischerweise mit Verfahren wie Aufkohlen oder Induktionshärten wärmebehandelt. Diese Behandlungen erzeugen eine gehärtete Oberflächenschicht, die Verschleiß widersteht, während gleichzeitig ein robuster Innenkern erhalten bleibt, der mechanische Stöße absorbiert. Während des Betriebs erfahren die kämmenden Zahnradzähne sowohl Roll- als auch Gleitkontakt. Die Schmierung spielt eine entscheidende Rolle bei der Vermeidung übermäßiger Reibung zwischen diesen Oberflächen. Zahnkupplungen sind mit Schmierkammern ausgestattet, die Fett oder Öl enthalten, um einen Schutzfilm zwischen den Zahnradzähnen aufrechtzuerhalten. Die lubricant reduces friction, dissipates heat, and prevents metal-to-metal contact that could cause surface damage such as scoring, pitting, or galling. Proper lubrication significantly extends the service life of the gear coupling components. Im Vergleich zu Elastomerkupplungen, die auf flexiblen Polymermaterialien basieren, die mit der Zeit abbauen, behalten Zahnkupplungen über ihre gesamte Lebensdauer hinweg gleichbleibende mechanische Eigenschaften bei. Elastomerelemente können aufgrund von Temperatureinwirkung, chemischer Verunreinigung oder mechanischer Ermüdung verhärten, reißen oder an Elastizität verlieren. Zahnkupplungen sind zur Drehmomentübertragung nicht auf Elastomerkomponenten angewiesen, sodass sie auch in rauen Industrieumgebungen zuverlässig funktionieren. Schwerindustriebereiche wie die Stahlproduktion, Bergbaubetriebe und Schiffsantriebssysteme erfordern häufig einen Dauerbetrieb unter hohen Lasten. In diesen Umgebungen können Geräteausfallzeiten äußerst kostspielig sein. Die lange Lebensdauer und Haltbarkeit von Zahnkupplungen machen sie zu einer bevorzugten Lösung für die Aufrechterhaltung eines zuverlässigen Betriebs unter solch anspruchsvollen Bedingungen. Effiziente Lastverteilung und Stoßlastbeständigkeit der Getriebekupplung Ein weiterer wichtiger Vorteil von Zahnkupplungen ist ihre Fähigkeit, Lasten effizient auf mehrere Kontaktpunkte zu verteilen. Bei der Drehmomentübertragung über die Kupplung greifen mehrere Verzahnungen gleichzeitig entlang des Umfangs der Kupplungsschnittstelle ein. Diese punktuelle Lastverteilung reduziert die Belastung jedes einzelnen Zahns. Die even distribution of mechanical load helps prevent localized stress concentrations that could lead to premature component failure. By sharing the transmitted force across multiple gear teeth, the coupling can safely handle both steady loads and sudden shock loads. Stoßbelastungen treten auf, wenn plötzliche Drehmomentänderungen in das System eingeleitet werden. Diese Belastungen können durch schnelle Beschleunigung, plötzliches Bremsen, Stoßkräfte oder Prozessstörungen innerhalb der angetriebenen Maschine entstehen. Zahnkupplungen sind aufgrund der Festigkeit der Verzahnung und des verteilten Lastpfades in der Lage, diese Belastungen ohne strukturelle Schäden aufzunehmen. Industrieanlagen wie Brecher, Walzwerke und Kolbenkompressoren erzeugen häufig schwankende Drehmomentlasten. Die mechanische Robustheit von Zahnkupplungen ermöglicht es ihnen, unter diesen dynamischen Bedingungen eine stabile Leistung aufrechtzuerhalten. Im Gegensatz dazu absorbieren Elastomerkupplungen Stoßbelastungen durch Verformung flexibler Elemente. Dieser Ansatz sorgt zwar für Vibrationsdämpfung, wiederholte Stoßbelastungen können jedoch zu Ermüdung oder Rissen des Elastomermaterials führen. Zahnkupplungen basieren auf gehärteten Metallkomponenten, die wiederholten Belastungszyklen ohne wesentliche Verschlechterung standhalten. Die combination of strong materials, multi-tooth load distribution, and controlled lubrication allows gear couplings to operate reliably under both steady-state and dynamic loading conditions. This capability is particularly valuable in heavy industrial machinery where load fluctuations are common and mechanical reliability is essential. *]:pointer-events-auto scroll-mt-(--header-height)" data-scroll-anchor="false" data-testid="conversation-turn-11" data-turn="user" data-turn-id="958b910e-12b8-4ac1-94fd-4a0fa8afcda6" dir="auto" tabindex="-1"> *]:pointer-events-auto scroll-mt-[calc(var(--header-height) min(200px,max(70px,20svh)))]" data-scroll-anchor="true" data-testid="conversation-turn-12" data-turn="assistant" data-turn-id="request-WEB:26825dea-41d5-4641-9198-b9f6153842d5-5" dir="auto" tabindex="-1"> Wo werden Zahnkupplungen in industriellen Anwendungen häufig eingesetzt? Die Zahnradkupplung wird häufig in zahlreichen Industriebereichen eingesetzt, in denen eine hohe Drehmomentübertragung, Ausgleich von Wellenversatz und lange Betriebsdauer erforderlich sind. In modernen industriellen Kraftübertragungssystemen arbeiten rotierende Maschinen häufig unter hohen Lasten, schwankendem Drehmoment und rauen Umgebungsbedingungen. Zahnkupplungen sorgen für eine robuste mechanische Verbindung zwischen Antriebsausrüstung und angetriebenen Maschinen und sorgen gleichzeitig für eine effiziente Kraftübertragung. Bei industriellen Anwendungen handelt es sich häufig um große Elektromotoren, Turbinen, Dieselmotoren und hydraulische Antriebe, die Energie an Kompressoren, Pumpen, Förderbänder, Brecher und verschiedene Prozessgeräte übertragen. Zahnkupplungen dienen als Schnittstelle, die diese Maschinen verbindet und gleichzeitig einen stabilen mechanischen Betrieb gewährleistet. Ihre Konstruktion ermöglicht es ihnen, großen Drehmomentbelastungen standzuhalten, kleinere Wellenfehlausrichtungen auszugleichen und zuverlässig in Umgebungen mit hohen Temperaturen, starken Vibrationen oder Staub zu arbeiten. Aufgrund dieser Eigenschaften werden Zahnkupplungen häufig in Branchen wie der Stahlherstellung, Bergbaubetrieben, der Energieerzeugung, Schiffsantrieben, der Zementproduktion und der petrochemischen Verarbeitung eingesetzt. Jede dieser Branchen stellt einzigartige mechanische Herausforderungen dar, die Kupplungslösungen erfordern, die eine konsistente Drehmomentübertragung und mechanische Stabilität gewährleisten. Zahnradkupplung Applications In Steel And Metallurgical Industries Die steel and metallurgical industries represent one of the most demanding operating environments for mechanical power transmission systems. Steel production facilities rely on large-scale machinery such as rolling mills, blast furnace equipment, continuous casting machines, and slab handling conveyors. These machines operate under extremely high loads and often experience significant torque fluctuations during production processes. Zahnkupplungen werden häufig zur Anbindung von Hochleistungs-Elektromotoren oder Turbinen an Walzwerksantriebe eingesetzt. Walzwerke erfordern eine präzise Drehmomentsteuerung bei der Verarbeitung von Stahlbrammen bei hohen Temperaturen und hohem mechanischen Druck. Die mechanischen Belastungen im Walzbetrieb können extrem hoch sein und die Kupplung, die den Motor mit dem Getriebe des Walzwerks verbindet, muss dieses Drehmoment störungsfrei übertragen. In einem Walzwerkssystem treibt ein großer Motor ein Untersetzungsgetriebe an, das die Drehbewegung auf die Walzzylinder überträgt. Zahnkupplungen werden üblicherweise zwischen Motor und Getriebe sowie zwischen Getriebe und Walzausrüstung eingebaut. Ihre hohe Drehmomentkapazität ermöglicht es ihnen, die zum Verformen von Stahlknüppeln oder -brammen erforderliche Kraft zu übertragen und gleichzeitig einen stabilen mechanischen Eingriff aufrechtzuerhalten. Die environment inside steel plants often includes elevated temperatures, metal dust, and continuous vibration generated by heavy machinery. Gear couplings are designed with hardened steel gear teeth and sealed lubrication systems that allow them to operate reliably in such conditions. The internal lubrication chamber protects the gear tooth surfaces from excessive wear, while the sealed structure prevents contaminants from entering the coupling assembly. Auch Stranggussmaschinen in der Stahlproduktion nutzen Zahnkupplungen zur Verbindung mehrerer Antriebseinheiten. Diese Maschinen transportieren geschmolzenen Stahl durch kontrollierte Kühlzonen, um feste Brammen zu formen. Die mechanischen Antriebssysteme, die die Förderrollen steuern, müssen eine synchronisierte Bewegung aufrechterhalten, um eine gleichbleibende Gussqualität sicherzustellen. Zahnkupplungen sorgen für die zuverlässige Drehmomentübertragung, die für diesen synchronisierten Betrieb erforderlich ist. Neben Walzwerken und Gießmaschinen werden Zahnkupplungen auch in Förderanlagen von Stahlwerken, Ofenbeschickungsanlagen und Schlackenhandhabungssystemen eingesetzt. Bei der Handhabung von Rohmaterialien oder fertigen Stahlprodukten sind diese Maschinen häufig starken Stoßbelastungen ausgesetzt, weshalb Zahnkupplungen aufgrund ihrer Fähigkeit, Lasten auf mehrere Zahnradzähne zu verteilen, eine geeignete Wahl sind. Zahnradkupplung Applications In Mining And Mineral Processing Equipment Bergbaubetriebe umfassen große mechanische Systeme zur Gewinnung, zum Transport und zur Verarbeitung mineralischer Rohstoffe. Die in Bergbauumgebungen eingesetzten Geräte arbeiten häufig unter extrem hohen Belastungen und sind gleichzeitig Staub, Vibrationen, Feuchtigkeit und abrasiven Partikeln ausgesetzt. Zahnkupplungen werden häufig in Bergbaumaschinen wie Brechern, Mühlen, Schaufelradbaggern und Förderantriebssystemen eingebaut. Diese Maschinen erfordern Kupplungslösungen, die hohe Drehmomentbelastungen und häufige Stoßbelastungen bewältigen können. Im Bergbau eingesetzte Brechgeräte zerkleinern große Gesteine ​​zur weiteren Verarbeitung in kleinere Fragmente. Brecher erzeugen hohe Aufprallkräfte, wenn sie Gesteinsmaterialien komprimieren und brechen. Die Antriebssysteme für Brecher umfassen typischerweise große Elektromotoren, die über Zahnkupplungen mit Getrieben verbunden sind. Diese Kupplungen müssen ein hohes Drehmoment übertragen und gleichzeitig mechanische Stöße absorbieren, die bei Zerkleinerungszyklen entstehen. Die mechanical torque required to drive grinding mills can be extremely large, especially in large-scale mining operations. Gear couplings provide the high torque capacity necessary to connect the mill motor to the gearbox or pinion gear system that drives the mill rotation. Bergbauumgebungen sind typischerweise durch ein hohes Maß an Staub und abrasiven Partikeln gekennzeichnet. In diesen Umgebungen eingesetzte Zahnkupplungen verfügen häufig über fortschrittliche Dichtungssysteme, die verhindern, dass Verunreinigungen in die Schmierkammer gelangen. Dieser Dichtungsschutz trägt dazu bei, die Lebensdauer der Kupplungskomponenten zu verlängern und den Wartungsaufwand zu reduzieren. Referenzen / Quellen Lovejoy, Inc. Technischer Leitfaden für Zahnkupplungen. Downers Grove, IL: Lovejoy Engineering Documentation, 2022. Rexnord Corporation. Leitfaden zur Auswahl und Anwendung von Zahnkupplungen. Milwaukee, WI: Rexnord Industrial Power Transmission, 2021. Dodge Industrial. Handbuch zur mechanischen Kraftübertragung. Greenville, SC: Dodge Industrial Engineering Publications, 2020. Budynas, R. G., & Nisbett, J. K. Shigleys Mechanical Engineering Design. 11. Aufl. New York: McGraw-Hill Education, 2020. Bloch, H. P. & Geitner, F. K. Maschinenfehleranalyse und Fehlerbehebung. 4. Aufl. Houston: Gulf Professional Publishing, 2012.
  • 2026.01.09
    Der Gabelkopf des Endflächengetriebes mit Universalgelenk kann doppelte Kapazitäts- und Qualitätsverbesserungen erzielen
    Das Endflächengetriebe-Universalgelenk wurde kürzlich von unserem Unternehmen geliefert. Dies ist eine wichtige Übertragungskomponente. Der Kern realisiert die Drehmomentübertragung durch ineinandergreifende Stirnzahnräder. Es zeichnet sich durch bequeme Installation und Demontage, stabiles Getriebe, große Drehmomentkapazität und die Möglichkeit aus, den Winkelversatz zwischen zwei Achsen auszugleichen. Es ist weithin anwendbar auf die Übertragungssysteme von leichten und schweren Lastgeräten wie Fahrzeugen mit neuer Energie, hochwertigen Baumaschinen und Walzwerken. Für Anfragen kontaktieren Sie uns bitte über Mobile/WhatsApp/Wechat: 86 15106109009
Anlagenausrüstung
FABRIKFÜHRUNG